Alternate 5

CPU-Debug Licht nach CPU Austausch immer noch da, B450 Ryzen 5 3600

Haaring

Cadet 1st Year
Registriert
Jan. 2021
Beiträge
13
Hallo, ich bin echt verzweifelt.

Zuerst mal mein PC:
Ryzen 5 3600
MSI B450-A-Pro MAX
512gb Patriot P200 SSD
500Watt be quiet! Pure Power 11 Non-Modular 80+Gold
2TB Seagate Barracuda HDD
16gb DualChannel Patriot Viper Steel DDR4-3200 DIMM CL16-20-20-40
6GB Gigabyte Geforce RTX 2060 Windforce OC

Im April hatte ich diesen PC zusammengebaut und bis vor einer Woche funktionierte alles. Manchmal war die Temperatur der CPU bei Hochbetrieb sehr hoch (90 Grad), andere Probleme gab es nie. Nun, vor einer Woche ist mein PC gefreezed und nacheinander ging nichts mehr. Ich hatte kein Bild mehr, aber der PC lief noch. Ich hab ihn ausgeschaltet und neu gestartet, kurz gebootet ging aber wieder aus. Nun geht er garnicht mehr. Beim anschalten des PC laufen zwar alle Lüfter, aber das CPU-Licht leuchtet (vorher auch VGA,habs aber gefixt).

Was ich die letzte Woche alles probiert hatte:
  • Kabel rein/raus
  • Ram rein raus
  • Barebone-Boot
  • Flash Bios
  • CMOS Reset durch entfernen der Batterie

Bin auch zu einem Freund gegangen, wo wir alles im PC getroubleshootet haben, alle seine Teile in meinen PC gesteckt und umgekehrt, alles versucht (er hat den selben PC mit zwei Unterschieden: Ryzen 5 2600X und als übergang eine 750ti)
Wir sind zum Schluss gekommen, dass der Prozessor kaputt ist (meine Vermutung von Anfang an war, dass der Prozessor überhitzt ist wegen oben genannten Grund), da der PC mit seinem Prozessor ging.

Von daher habe ich gestern einen neuen 3600 CPU bestellt, heute eingesetzt... und es geht wieder nicht.
Nochmal CMOS Batterie rausgenommen und 10min pc laufen lassen geht nicht.

Hab jetzt nichts weiter versucht, bin einfach zu frustriert.

HILFE
Danke im Vorraus, sry für langen Text
 
Mit der CPU des Freundes funktioniert es?
Eine CPU geht praktisch so gut wie nie kaputt, würde eher das Board in verdacht....

P.s: Mit CMOS Batterie rausnehmen erreichst du in der Regel nix....
 
Bevor ein Prozessor wegen Überhitzung kaputt geht schaltet er selbständig ab, von daher ist die Vermutung schlichtweg falsch (außerdem ist 90° Grad vielleicht hoch aber noch unbedenklich).

Mal ein anderes Netzteil probiert ? Da würde ich ansetzen, wenn es das nicht ist direkt beim Mainboard.

Für den CMOS-Reset brauchst Du keine Batterie zu entfernen, das bringt nicht viel. Da gibt es einen Jumper auf dem Mainboard der das macht.

MfG
 
Einen Jumper hab ich nicht im Mainboard beigelegt, hab es daher so getan. Ein anderes Netzteil hab ich nicht probiert, wo könnte dort ein Problem sein. Geht ja alles an und 500Watt reichen
 
Nur weil "es geht" und "reicht" kann es trotzdem defekt sein. Bei Netzteilen gibt es zwischen "funktioniert" und "defekt" eine Menge Zustände.

Außerdem geht nichts an, die Hardware bekommt lediglich den Startstrom und bleibt in dem Zustand, also hört es an der Stelle schon irgendwo auf. Das sich die Lüfter drehen sagt noch nichts darüber aus ob es einen defekt am Netzteil gibt, vielleicht ist nur der eine, entscheidende Strang defekt.

Den Jumper für den CMOS-Reset kannst Du auch durch einen Schraubenzieher ersetzen, da müssen lediglich zwei Kontakte kurzgeschlossen werden. Die passenden Jumper sind normalerweise im Lieferumfang des Gehäuses enthalten.

MfG
 
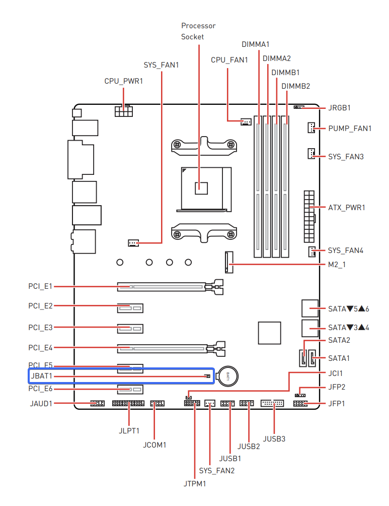
Auf dem Board gibt es einen Clear CMOS Jumper neben der Batterie (blau markiert). Nur kurz die Batterie rausnehmen reicht u.U. nicht, um das BIOS zurückzusetzen. Dafür dann den Jumper mit einem Schraubenzieher kurzschließen.
1611237289720.png


Seihe Handbuch, relevante Seiten 25 und 36.
 
  • Gefällt mir
Reaktionen: Graphixx
Ich wusste dass man das kurzschließen sollte, dachte nur das rausnehmen der Batterie reicht. Kann ich ja mal versuchen. Noch andere Ideen woran es liegen könnte, an ein Netzteil komm ich so schnell nicht ran. Was mich verwundert warum ging der PC mit einem anderen Prozessor, aber ein anderer PC geht mit meinem nicht. Dann kann es doch nicht das Netzteil sein oder?
 
Naja, bei einem so unklaren Fehlerbild ist das auch schwierig. Es können natürlich X andere Sachen sein, es hört sich nur aus der Erfahrung nach Netzteil an und irgendwo muss man ja anfangen :D

MfG
 
Batterie rausnehmen reicht, wenn du zusätzlich den Computer vom Stromnetz getrennt hast, also Schalter am Netzteil auf "Aus" oder Stecker ziehen.
 
Vielleicht habe ich paar Infos ausgelassen, was könnte denn das Fehlerbild klarer machen? :)
 
Hat der Freund evtl das MSI B450-A-Pro ohne max? Da würde je nach BIOS Version ein Ryzen 3000 nicht drauf funktionieren.
 
Er hat außer die zwei oben genannten Unterschiede den selben PC, also MAX
 
Haaring schrieb:
was könnte denn das Fehlerbild klarer machen
Hm, eigentlich ist Dein Post aussagekräftig und Du hast auch schon eine Menge probiert was Dir hier wahrscheinlich auch so vorgeschlagen worden wäre. Von daher finde ich es bei Dir wirklich schwierig.

MfG
 
bei eingebauten RAM kommt bei mir kein beep, tat es auch nie wenn der PC ging. Nie ein Piep. Beim alten PC kam beim Boot/Bios immer ein Beep wie es eigentlich sein sollte. Kann man das irgendwie aktivieren ka
 
Also PC zeigt nach Einschalten kein Bild, aber Lüfter drehen. Sowohl mit dem alten 3600, als auch mit dem neuen 3600.
Mit der 2600 CPU deines Freundes und exakt der gleichen Hardware hast du aber keine Probleme und der PC startet normal.

Ich würde tippen, die Einstellungen im BIOS sind falsch und du hast sie bisher nicht zurückgesetzt. Hatte ein Threadripper Board, da konnte man die Einstellungen per Jumper nicht resetten. Da musste ich das Board immer neu flashen. Würde daher nochmal die CPU von deinem Freund einsetzen, das Board zurücksetzen, nichts einstellen und danach nur mit einem RAM Riegel (im Slot nach Angabe im Handbuch) und der 3600er CPU starten.
 
Qarrr³ schrieb:
Also PC zeigt nach Einschalten kein Bild, aber Lüfter drehen. Sowohl mit dem alten 3600, als auch mit dem neuen 3600.
Mit der 2600 CPU deines Freundes und exakt der gleichen Hardware hast du aber keine Probleme und der PC startet normal.

Ich würde tippen, die Einstellungen im BIOS sind falsch und du hast sie bisher nicht zurückgesetzt. Hatte ein Threadripper Board, da konnte man die Einstellungen per Jumper nicht resetten. Da musste ich das Board immer neu flashen. Würde daher nochmal die CPU von deinem Freund einsetzen, das Board zurücksetzen, nichts einstellen und danach nur mit einem RAM Riegel (im Slot nach Angabe im Handbuch) und der 3600er CPU starten.
Klingt plausibel. Komme grade nicht an die CPU :). Gibt es irgendeine andere Möglichkeit das BIOS zu resetten? Und wo steht in der Anleitung wie der RAM eingesetzt werden soll. Dual Channel 2 und 4 oder auf 1 und 3?
 
Wenn du es bisher nicht nur mit einem RAM Riegel versucht hast, kannst du das ja erstmal probieren.

Welcher Slot ist im Handbuch irgendwo beschrieben. Inhaltsverzeichnis durchschauen und unter den passendsten Punkten nachschauen oder suchen Funktion nutzen und PDF nach Stichwörtern durchsuchen lassen.
 
Zurück
Oben