Gigabyte Z690 UD DDR5 & Lanes bei Z690 m.2 M.2-SSDs (PCIe 3.0 x4) x 2 / Soundkarte und M.2 SSD shared Connections

beo21

Cadet 2nd Year
Registriert
Juli 2004
Beiträge
24
Hallo zusammen,

ich bau mir gerade seit 4 Jahren einen neuen PC und habe bereits gekauft

Intel 12900k
Corsair DDR5 5600hz 32GB CL 36
Gigabyte Z690 UD DDR5
Samsung 970 Evoplus 2TB

vorhaden ist

Samsung 960 Evo 500GB (-> soll Win 10 / 11 MBR bleiben)
Gigabyte 2080 Super (-> ggf. später in RTX 4G)
Asus Xonar Essence STX Soundkarte (-> würde ich gerne behalten wegen 250ohm Headset)

_________________

So zu meinen Fragen:

Ich möchte auf dem o.g. MB Gigabyte Z690 UD DDR5 beide m2. NVMe als PCIe-3 nutzen. Alle 4 Sata Ports für SSDs und Laufwerke (Bluray) und am besten meine derzeitige Soundkarte mitnehmen.

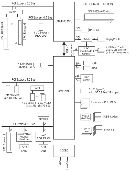
Hab aber gesehen / gehört, dass bei den Z690 Chipsätzen, irgendeiner der m.2 sich eine direkt Verbindung mit der GPU teilt (nehme an der M2A-CPU, siehe Quote)

Möchte die volle GPU x16 Power haben, gerade wenn die 4000er Serie kommt.

Laut hersteller:

CPU:
  1. 1 x M.2 connector (Socket 3, M key, type 2260/2280/22110 PCIe 4.0 x4/x2 SSD support) (M2A_CPU)
Chipset:
  1. 1 x M.2 connector (Socket 3, M key, type 2260/2280 PCIe 4.0 x4/x2 SSD support) (M2P_SB)
  2. 1 x M.2 connector (Socket 3, M key, type 2260/2280 PCIe 4.0 x4/x2 SSD support) (M2Q_SB)
Seht ihr, dass wenn ich M2A_CPU bestücke mit einer PCIe-3, dass ich hier die GPU auf 8x drossle ?
Bzw. sollte ich lieber die 2 Slots M2P/q_SB (nehme an Southbridge?!) bestücken und diese dann mit jeweils ner Heatsink unter der GPU laufen lassen ? Gibt es hier Nachteile ? Auf P.24 hab ich u.g. gefunden:

1646237822873.png


______________________________________

Habe bei meinem derzeitgen Z370 die Erfahrunge macht, dass die m.2 und SSD Plätze teilen, dass wenn ein m2 populiert ist, manche SSD Anschlüsse deaktiviert werden. Hier hab ich auch nichts gefunden auf :23

1646238031722.png


______________________________________

Weiterhin würde ich gerne die o.g. Soundkarte weiter nutzen in dem 3. Slot, wegen Abstand zue GPU und weil der ja 1x läuft und die Karte laut Asus nur "One PCI Express 1.0 (or higher) compatible slot for the audio card" benötigt.

  1. 1 x PCI Express x16 slot, running at x16 (PCIEX16)
    * For optimum performance, if only one PCI Express graphics card is to be installed, be sure to install it in the PCIEX16 slot.
    (The PCIEX16 slot conforms to PCI Express 5.0 standard.)
  2. 1 x PCI Express x16 slot, running at x4 (PCIEX4)
  3. 1 x PCI Express x16 slot, running at x1 (PCIEX1_4)
  4. 2 x PCI Express x1 slots
    (The PCIEX4 and PCIEX1 slots conform to PCI Express 3.0 standard.)

Seht ihr hier eine Drosselung der Leistung in Bezug auf die m.2 NVMe Leistung bzw die GPU Lanes, wenn ich die Soundkarte in PCIEX1_4 stecke. In

1646238315062.png


Viel Text und viele Fragen, hoffe auf eure Antworten.

Viele Grüe und BIG THX

beo21
 
wenn sich slots/ports die lanes teilen steht das in den specs und/oder im handbuch.

die Alder Lake-CPUs haben 16 5.0-lanes und 4 4.0-lanes. an letzteren hängt der erste M.2-slot; auf den/die an der CPU hängenden x16-slot(s) hat das keine auswirkung. es sei denn das MB hat nen M.2-slot mit 5.0_x4, der klaut sich dann lanes von dem/den x16-slot(s). aber das steht dann auch so in den specs.

warum ausgerechnet dieses MB?
 
beo21 schrieb:
Hab aber gesehen / gehört, dass bei den Z690 Chipsätzen, irgendeiner der m.2 sich eine direkt Verbindung mit der GPU teilt (nehme an der M2A-CPU, siehe Quote)

Möchte die volle GPU x16 Power haben, gerade wenn die 4000er Serie kommt.
Äh, der 12900K hat 16 PCIe 5.0 Lanes für die GPU und 4 PCIe 4.0 Lanes für die M.2 SSD. Der klaut sich die Lanes von der GPU nur dann, wenn es ein M.2 Slot mit PCIe 5.0 ist.

Meines Wissens gibt es aber noch gar keine M.2 SSDs mit PCIe 5.0, vom nicht vorhandenen spürbaren Performancezuwachs zu PCIe 4.0/3.0 ganz abgesehen.
 
@Drewkev:
ob man ne 3.0-, 4.0- oder 5.0-SSD in so nen slot steckt spielt dafür keine rolle; die slots sind in den meisten fällen fest verdrahtet.
 
@Drewkev:
üblicherweise nicht. man kann M.2-slots auch so bauen dass man die über verschiedene lanes ansteuern kann (also z.b. wahlweise über CPU oder chipsatz), aber das ist zumindest bei retail-MBs die ausnahme.
 
Zuletzt bearbeitet:
Der oberste M2 Slot hängt direkt an der CPU, da baust du deine Haupt NVMe ein.
Deine GPU steckst die in den oberen PCIe x16 Slot.

Deine anderen NVMes in die restlichen Slots und Soundkarte in einen der weiteren PCIe Slots.

Oder Kurzform, erster NVME Slot hängt an CPU, erster PCIe x16 Slot ebenfalls und werden x4 + x16 versorgt.
Der Rest hängt am Chipsatz.

Bei den anderen Gigabyte Boards gibts dazu auch Diagramme, das sieht dann so aus.
 

Anhänge

  • 2625065-n6.jpg
    2625065-n6.jpg
    51,5 KB · Aufrufe: 741
Deathangel008 schrieb:
man kann M.2-slots auch so bauen dass man die über verschiedene lanes ansteuern kann (also z.b. wahlweise über CPU oder chipsatz)
Hö, ich dachte es ging jetzt darum, dass der M.2 Slot (sofern dieser mit PCIe 5.0 daherkommt) auch die PCIe 5.0 Lanes der CPU nutzt, egal ob eine PCIe 3.0/4.0 SSD darin verbaut ist :confused_alt:
 
Ich glaube es gibt kein einziges Z690 Board das einen Shared M2 Slot mit dem ersten PCIe x16 Slot hat.
Es gibt nur so ein paar Sonderlinge die den unteren x16 Slots sharen damit man zwei GPUs mit x8 betreiben könnte. Aber das ist auch eine absolute Ausnahme bei einzelnen Modellen.

Das Gigabyte Aero D ist so ein Exemplar, dass ist aber auch speziell an Content Creator gerichtet.
 

Anhänge

  • 2625095-n6.jpg
    2625095-n6.jpg
    54,5 KB · Aufrufe: 437
eRacoon schrieb:
Ich glaube es gibt kein einziges Z690 Board das einen Shared M2 Slot mit dem ersten PCIe x16 Slot hat.
Wozu auch, die CPUs haben mittlerweile alle extra Lanes für den ersten M.2 Slot. Alder Lake hat ja 16 mit PCIe 5.0 und 4 mit PCIe 4.0.

Ich habe es so verstanden, dass eben besagter M.2 Slot, sofern dieser PCIe 5.0 hat/unterstützt, 4 der insgesamt 16 PCIe 5.0 Lanes nimmt, egal ob die SSD selbst nur PCIe 4.0/3.0 hat.
Das würde nämlich heißen, dass alle (ersten) x16 Slots mit x8 laufen, sobald der erste M.2 Slot mit PCIe 5.0 daherkommt und auch bestückt wird. Das kann ich mir nicht vorstellen, zumal PCIe doch abwärtskompatibel ist.

Bin leicht verwirrt.
 
Möglich wäre das natürlich aber sowas gibt es meines Wissens nicht am aktuellen Z690 Markt.
 
Deathangel008 schrieb:
"alle" sowieso nicht.
Hab's doch editiert ;) Vermutlich warst du da noch am Schreiben.

Deathangel008 schrieb:
das hat aber keinen einfluss darauf an welchen lanes der slot hängt.
Schon klar, ich dachte aber, dass der M.2 Slot zwischen den PCIe 5.0 und PCIe 4.0 Lanes der CPU switchen kann, je nach dem welche Version von der SSD gebraucht wird bzw. wie man es halt im UEFI einstellt.

Ein Glück, dass das aktuell nur sechs Board betrifft.

Edit:
Ach krass, das kommt von den Herstellern, Intel sieht die PCIe 5.0 Lanes gar ned für den M.2 Slot vor.
 
Zuletzt bearbeitet:
@All Danke für euren Input so weit.

Würdet ihr es bei dem o.g. Board belassen oder lieber auf ein AORUS Elite für ca. plus 80€ upgraden.
Dies hat ein Thermalshield auch für m2.2 und m2.3 und m.2.4

Das Gigabyte Z690 Gaming X DDR5 stell ich nochmal in den Raum auch wegen dem Thermalshield.


Gefallen optisch tut mir die AERO Serie ;D
 
beo21 schrieb:
Dies hat ein Thermalshield auch für m2.2 und m2.3 und m.2.4
M.2 SSDs kommen mittlerweile auch ohne Kühler aus, zumindest habe ich bei meinen bisher keinen gebraucht und 80,- Euro nur für M.2 Kühler, ich weiß nicht.
 
  • Gefällt mir
Reaktionen: beo21
@beo21:
wenn es Gigabyte sein muss würde ich wenigstens das Gaming X nehmen, allein schon des zusätzlichen M.2-slots wegen (und weil das UD hässlich ist; braunes PCB muss 2022 bei nem 200€-MB echt nicht mehr sein).

ich würde eher MSI oder ASUS nehmen.
 
Deathangel008 schrieb:
@beo21:
wenn es Gigabyte sein muss würde ich wenigstens das Gaming X nehmen, allein schon des zusätzlichen M.2-slots wegen (und weil das UD hässlich ist; braunes PCB muss 2022 bei nem 200€-MB echt nicht mehr sein).

ich würde eher MSI oder ASUS nehmen.
hatte dir privat geschriben nach Alternative ;D

Halt dich fest, hab hellgrau/braunen Noctua NH-D15 drauf und ggf. weiße Ram Riegel ^^ und alles ohne RGB - eyecancerinc.

Farbe ist so wayne und der steht unterm Tisch in nem Coolermaster C700P mit abgedunkelter Glasscheibe, daher total egal ;D
 
@beo21:
ja, hatte ich gesehen. MSI willst du nicht, ASUS ist zu teuer. ASRock mit DDR5 ist entweder schrott oder kostet 400€ aufwärts.

ich hab 5 Noctua-lüfter in klassischer farbe im system. mein gehäuse hat kein sichtfenster. und trotzdem finde ich das Z690 UD hässlich. aber die optik war ja nicht das einzige argument gegen das UD.

auf manchen bildern sieht auch das PCB des Gaming X braun aus:freak:

beo21 schrieb:
Gefallen optisch tut mir die AERO Serie ;D
beo21 schrieb:
Farbe ist so wayne[...]daher total egal ;D
was denn jetzt?
 
@Deathangel008
Asus wäre ok, müsste mir mal genau anschauen, welches würdest empfehlen denn im DDR5 Bereich ?
 
@beo21: in nem preislich noch halbwegs "vernünftigen" bereich Prime Z690-A oder TUF Gaming Z690-Plus (WIFI).
 
Sapphire Forum
Zurück
Oben