PC bootet nicht, EZDebug LED "CPU" leuchtet durchgehend weiß

Schaue ich mir mal ein Video an wie das gehen soll. Danke Euch nochmal, ihr seid Hammer und gute Nacht
 
Kinderspiel:
Ergänzung ()

Wenn du keinen Jumper hast, nimm einen Schraubenzieher.
Kiste aber vom Strom trennen.
 

Anhänge

  • 0.png
    0.png
    42,2 KB · Aufrufe: 246
  • 1.PNG
    1.PNG
    39 KB · Aufrufe: 245
Oder ein Küchenmesser, Hauptsache es leitet
 
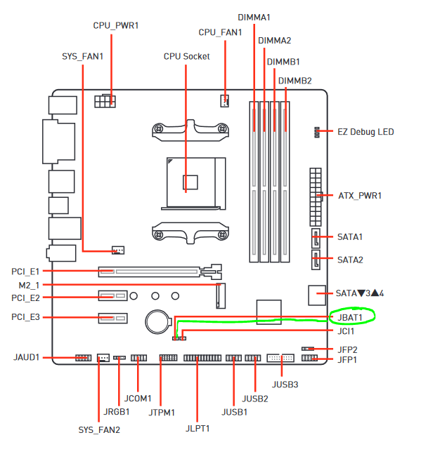
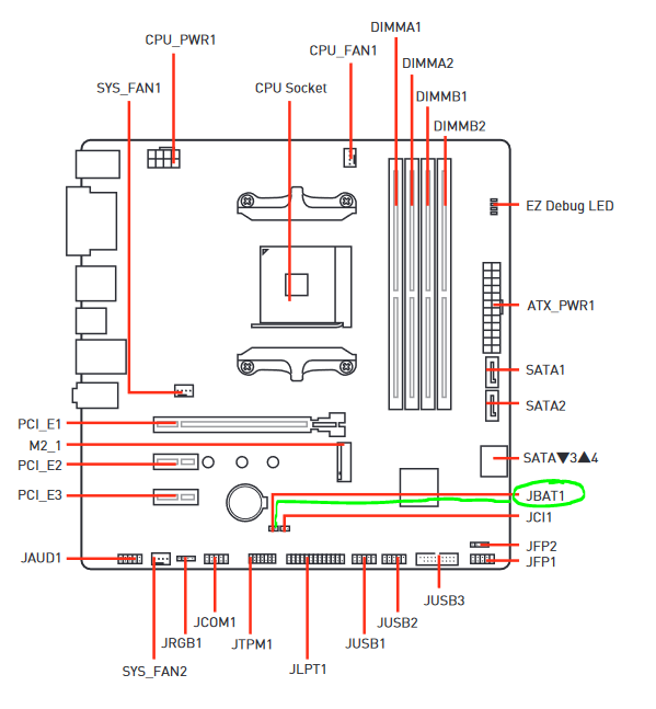
So, habe das CMOS mit einem Schraubenzieher gecleart, während es im Dual Channel war. Hat nicht gebootet. Dann nur ein Stick im A2. Hat gebootet mit der Meldung dass CMOS geresettet wurde. Aber ja, der Clear hat wohl nichts gebracht wie es aussieht. Dann brauche ich wohl als nächstes den ausgeliehenen RAM
 
  • Gefällt mir
Reaktionen: Nickel
Habe es nun mit der alten CPU doch nochmal versucht. Mit der alten läufts der PC im Dual Channel scheinbar problemlos. Komisch, die neue CPU sieht echt gut aus, weder was verbogen noch abgebrochen...
 
  • Gefällt mir
Reaktionen: Nickel
Scheinbar, das sollte doch deutlich sein und kann man sogar sich auslesen lassen (CPU-Z)
Wenn dem so ist, reklamiere die CPU, evtl doch erst, wenn du es mit dem ausgeliehenen RAM probiert hast.
Ergänzung ()

Bzgl. verbogenen PINs, da dachte ich im anderen Beitrag an Intel, die PINs im Sockel.
Du hast aber ja ne AMD CPU.
Sie läßt sich eigtl. erst gar nicht verbauen mit verbogenen PINs.
 
  • Gefällt mir
Reaktionen: Martze96
Nun ist mir zudem aufgefallen, dass wenn ich mit der alten CPU im Dual Channel bin, dass er zwar bootet (selten mit kurzen abstürzen, aber letzendlich gehts dann doch), 16GB Ram erkannt, aber nicht genutzt werden. Im Taskmanager steht dran 8 GB für Hardware reserviert. Also in allen Programmen wirds zwar erkannt, aber nicht genutzt. Bspw. habe ich memtest im dual channel durchlaufen lassen und mir ist dann augefallen, dass er 8GB Memory angezeigt hat... aber diese 8 liefen fehlerlos durch.
Ich muss noch schauen wo ich RAM herbekomme, aber so langsam schätze ich, dass ich einsehen muss, das was mit dem Mainboard nicht stimmt. In dem Fall müsste dann evtl. ein neues her :/
 
Update: Habe mein PC komplett auseinander gebaut, gesehen das mein Ich vor 4 Jahren die Standoffs nicht richtig platziert hat, das wieder korrigiert. Dann habe ich noch gesehen, dass nicht alle Schraublöcher am Mainboard reingeschraubt wurden, das korrigiert (Zum Glück noch ganz viele Ersatzteile in der Mainboardverpackung). CPU sorgsam wieder installiert, CMOS (fachgerecht angemerkt) gecleart und jetzt läuft alles wie gewünscht. Soweit so gut. Danke Euch @Nickel @Drewkev etc. allen nochmal, hat Spaß gemacht
 
  • Gefällt mir
Reaktionen: Drewkev, Nickel, Dandelion und eine weitere Person
Sapphire Forum
Zurück
Oben