Pc geht einfach aus

belly14789

Newbie
Registriert
Mai 2020
Beiträge
5
Guten Tag,
Woran könnte es liegen ich bin mitlweile wirklich am verzweifeln ;( bios ist auf dem neusten stand und ich wärmste Temperatur war 70 Grad ? ich habe den Pc selber mit diesen Komponenten zusammen gestellt:
In der Ereignisanzeige wird mir das angezeigt jedoch verstehe ich nicht was das heißen soll: Das System wurde neu gestartet, ohne dass es zuvor ordnungsgemäß heruntergefahren wurde. Dieser Fehler kann auftreten, wenn das System nicht mehr reagiert hat oder abgestürzt ist oder die Stromzufuhr unerwartet unterbrochen wurde.
Tosh 1TB P300 Bulk 7200/SA3
be quiet! Pure Rock
MSI B450 TOMAHAWK MAX B450
MSI 8GB D6 RTX 2070 Super Ventus OC
be quiet! STRAIGHT P 11 PLAT. 550W ATX24
AMD Ryzen 5 3600 WRAITH 3600 AM4 BOX
D416GB 3000-16-18-18 AEGIS K2 GSK
SSD 480GB 500/555 Burst SA3 PAT
Sharkoon TG4 Red ATX
 
Hi,

  • defektes Netzteil
  • früher gabs mal zum Schutz der CPU eine "Selbstabschaltung" des Systems ab einer erreichten CPU Temp (Einstellbar im Bios)
 
Unter welchen Umständen tritt die Abschaltung auf? Einfach so zufällig oder gerade dann, wenn auf Last geschaltet wird (z.B. Starten eines Spiels) ?
 
Teste es mit dem RAM erstmal ohne XMP.
 
ja oke mach ich aber was meinst du mit XMP

Du kannst im Bios deine Ram Settings einstellen, XMP ist ein vorgefertigtes Profil (D416GB 3000-16-18-18 ) von deinem Ram.
Kannst aber auch den Ram, im Bios fest einstellen zb. "AUTO", "XMP", "3000", "2667" etc.

z.b. Bios Ram Timings

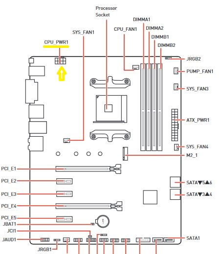
ps: die zweite Spannungsversorgung fürs Mainboard hast du angeschlossen?
 

Anhänge

  • Ram Settings.jpg
    Ram Settings.jpg
    1.012,2 KB · Aufrufe: 281
  • MB_PWR.JPG
    MB_PWR.JPG
    59,9 KB · Aufrufe: 275
Zuletzt bearbeitet:
Zurück
Oben