Pc Startet nicht

Murfe

Cadet 3rd Year
Registriert
März 2019
Beiträge
35
Ich versuche schon seit ein paar Stunden meinen frisch gebauten PC zu starten, leider vergeblich, er startet nicht. Der Bildschirm bleibt schwarz und Geräusche kann man auch nicht hören. Weiß nicht woran das liegt obwohl ich mir recht sicher bin das ich alles richtig gemacht habe, ich hoffe hier jemanden zu finden der mir hilft weil ich mittlerweile ein bißchen verzweifelt bin.

DER PC:
Pentium g4400
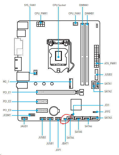
Msi B250M PRO-VD
M.2 ssd
8gb ddr4
 
Zuletzt bearbeitet:
Wie frisch gebaut? Selber montiert? Du weißt nicht woran es liegt, aber bist dir sicher was da los ist? Du solltest vielleicht mal genau beschreiben, "was da los ist". Ansonsten: Stromkabel eingesteckt und den Netzteilschalter umgelegt?
 
  • Gefällt mir
Reaktionen: spfccmtftt89
Warum die ältere Hardware?

Welches Netzteil hast du genau?
Welche M.2 SSD genau?
Welcher RAM genau?

Den 4/8poligen CPU Stromstecker auch nicht vergessen?
Die Abstandhalter zwischen Board und Gehäuse auch nicht vergessen und an den richtigen Stellen verbaut?
 
  • Gefällt mir
Reaktionen: Murfe
Mein Netzteil ist das Corsair cx 750 (ja ich weiß es ist nicht das beste aber es war sehr günstig)
SSD ist die Samsung Evo 970.
Und als RAM habe ich einen balistix Sport.
 
Du schreibst: "Geräusche kann man auch nicht hören?!"
Dann würde ich sagen das der PC keinen Strom bekommt!
Laufen die Lüfter? -> Minimalkonfiguration mal versucht?
 
Ist das ein gebrauchtes Netzteil oder neu?
Da mal ein anderes testen.

Und wie sieht es mit den 8poligen CPU Stromstecker und den Abstandshaltern aus?
 
Das Netzteil ist neu und es macht auch so seltsame Geräusche, allerdings dreht ich im Gehäuse garnichts. Abstand Halter und sind eingebaut und der 8polige Stecker für die CPU steckt auch
 
Der Lüfter vom NT läuft aber, oder?
Hast Du die Stecker am F-Panel evtl. falsch angeschlossen? Dies solltest Du mal prüfen, kannste testweise auch mal mit einem Schraubendreher überbrücken!
 
Nein der Lüfter am Netzteil läuft auch nicht, ich habe auch die-panel Anschlüsse probiert, sie sind richtig
 
Was für Geräusche macht das Netzteil?
Wenn es so ein "klackern" ist, dann springt die Schutzschaltung an, weil ein Kurzschluss vorhanden ist.
 
Es ist so ein leise flimmern. Aber könnte es nicht auch etwas mit der Kompatibilität der Teile sein?
 
Kompatible sind sie, nur hätte man das Board und die CPU so nicht mehr neu gekauft, da Intel schon weiter ist und aktuellere hat.

Auch das Netzteil ist extrem übertrieben, für die Hardware hätte auch ein 300W Netzteil mehr als locker gereicht.

Teste bitte ein anderes Netzteil.
Und Fotos von deinem Aufbau wäre dennoch gut.
 
Alles bis auf das Netzteil und die cpu ist gebraucht.
 

Anhänge

  • 15530973482713367803320759670138.jpg
    15530973482713367803320759670138.jpg
    3,3 MB · Aufrufe: 261
Lüfter am Netzteil läuft nicht --> mal tauschen.

Bezüglich der Abstandshalter: sicher, dass alle und richtig gesetzt sind? Als erstes habe ich auf Deinem Bild eine fehlende Schraube gesehen. Sind denn wenigstens die Abstandshalter dort drunter, wo keine Schrauben sind?
 
Die Abstandshalter unter dem MAinboard sind auch NUR dort, wo auch Befestigungsschrauben sind?

Am besten du nimmst alles noch mal auseinander und prüfst ob auch alles dort ist wo es sein muss und nicht mehr.

Zudem schauen, dass ALLE Steckverbindungen auf dem Mainboard vom NT und Gehäuse und was sonst noch angesteckt werden muss auch dran ist und richtig steckt.

Aber wenn schon am NT der Lüfter nicht dreht, stimmt was mit deiner Stromversorgung nicht, denn dann eght auch am Mainboard und Co nix.
 
Die gebrauchten Teile haben funktioniert bei denn neuen weiß ich es nicht. Langsam denke ich das das PC bauen sich nicht wirklich lohnt da man ja ein Risiko hat das es nicht funktioniert.
 
Zurück
Oben