Probleme mit Lüftern aus Fertig-PC

Crowdey

Cadet 1st Year
Registriert
März 2021
Beiträge
14
Hallo zusammen,

vorweg, ich bin absoluter Einsteiger in dem Thema, also nehmt mir nicht alles übel, was ich vielleicht falsch schreibe.

Ich habe mir einen neuen Fertig-PC gekauft. Ich bin soweit mit den Komponenten ganz zufrieden, bis auf die Gehäuselüfter.
Da diese direkt aufs Netzteil laufen, sind die extrem Laut. 3 Stück vorne 1er hinten. Jetzt haben die beim Gehäuse hinten eine Chipplatte drauf, auf die alle Lüfter und der LED-Button vom Gehäuse läuft (mit dem lassen sich die RGB Farben der Lüfter steuern).

Bild_2021-03-22_120726.png


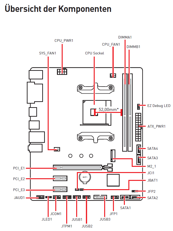
Das Problem ist nun, dass ich die Anschlüsse hier nicht mehr runter bekomme. Ich habe auch ein bisschen Angst, dass ich die Anschlüsse von der Platte reiße, da sie sich einfach nicht lösen wollen. Somit bräuchte ich eigentlich 4x neue Lüfter und einen 4-Fach Adapter da auf meinem MSI B450M Pro-M2 MAX Mobo nur 1x Sys Fan Anschluss drauf ist, richtig?

Bezüglich der LED Schaltung ... wo kommt die nun drauf? Sind das dann die front panel connectors?

Ich wollte euch gerne noch das Gehäuse selber zeigen, aber leider finde ich das nirgends im Netz.
Laut Rechnung: GEH SQ-Tower 01, USB3.0, ARGB, Tempered Glass

Die Frage die ich mir auch noch stelle, würde es Sinn machen direkt ein neues Gehäuse zu kaufen, oder einfach die Lüfter auszutauschen mit einem Adapter. Somit würde ich mir die Kabelverlegung sparen.

Würde mich über ein wenig Hilfestellung und Aufklärungsarbeit freuen.

Grüße Crow
 
1.png

2 Lüfteranschlüsse

Crowdey schrieb:
Ich habe auch ein bisschen Angst, dass ich die Anschlüsse von der Platte reiße
Du meinst die grüne Platine? Kann man die womöglich dort eindrücken?

1.png


Crowdey schrieb:
Ich wollte euch gerne noch das Gehäuse selber zeigen, aber leider finde ich das nirgends im Netz.
Dann mache doch davon bitte ebenfalls Bilder. Vor allem von den Lüftern, die auf das Netzteil pusten sollen.
 
Es wäre gut, wenn du hier auch den PC einmal verlinkst. Bzw der Name / Seriennummer wäre auch schon ausreichend.
 
Hi Zwirbelkatz,

meinst du mit zwei Anschlüssen jetzt den CPU_Fan1 und den SYS_Fan1 Anschluss? Der CPU ist ja schon belegt der SYS nicht, da die Kühler aufs Netzteil laufen. Hier würde ich dann eben die 4 Lüfter über einen Adapter laufen lassen, falls das überhaupt möglich ist.

Ja genau die grüne Platine. Es sind zwar kleine Pins an jedem Stecker unten und oben, aber die rein zu drücken bringt absolut nichts. Bekomme die einfach nicht mehr aus ihren Anschlüssen raus.

Meine Überlegung war dann eben auf die grüne Platine komplett zu verzichten.
 
PC starten und die entf taste wiederholt drücken damit kommst du ins Bios und dort kannst du die Lüfter vielleicht regeln unter MSI ist das glaube ich unter dem Punkt " Hardware Monitor "
 
Von der Platine geht doch auch ein Stecker weg, der dann an einen SYS_FAN-Anschluss auf dem Mainboard gesteckt werden kann. Zwar nicht PWM, aber immerhin über die Spannung sollte ein regulieren möglich sein.
 
@Burfi
Wollte hier jetzt nicht unnötig Links posten. Link
Seriennummer find ich leider nicht, kann ich auch unter cmd nicht auslesen.

@Necrosly
Da die Lüfter aufs Netzteil laufen, kann ich diese nicht übers BIOS steuern.

@kachiri
Glaub ich nicht, da der Stecker unten (mit der Nummer 4 versehen) auf einen Multistecker zum Netzteil läuft. Da sind noch mehrere Anschlüsse dran. Den kann ich nicht einfach aufs Mobo legen.
 
Das sieht nach 'nicht Standard' Lüftern aus: ein kombiniertes RGB + 12V Kabel. Von der kleinen Platine geht nur je ein Kabel mit 5 Adern zu je einem Lüfter, nicht?

Bzw. die Lüfter haben nur dieses eine Kabel zur Platine, oder haben die ein zweites Kabel zum Netzteil? Dann wäre da ein Foto interessant.

Wenn die Lüfter nur das eine Kabel mit 5 Adern haben, bleiben dir zwei möglichkeiten:
-mit dem gekauften Boliden leben
-Lüfter tauschen und zusätzlich eine neue RGB-Steuerung für die neuen Lüfter (wenn sie wieder Bunt werden sollen)
 
Hier nochmal die Bilder von den Lüftern

3.jpg

2.jpg


Das Kabel das von der Platine nach unten weg läuft ist das SATAPower Kabel und wird hier eingesteckt und läuft dann aufs Netzteil:

1.jpg


@frazzlerunning

Ja hast du richtig erkannt.
Von der Platine geht ein Kabel mit 5 Adern zu je einem Lüfter.

Hmm also doch neue Lüfter kaufen und die Platine abstecken.

RGB ist nicht zwingend notwendig. Ist eben die Frage wie aufwändig so etwas wäre und ob ich das als Laie hin bekommen würde.

PS:
Das ist für mich jetzt in erster Linie abklärung.
Ich bin natürlich nich so zufrieden wie das gemacht wurde und überlege ob ich die Kiste zurück schicken soll.
Die Frage die sich mir aber stellt, ob ich am ende nicht trotzdem Billiger weg komme, wenn ich die Lüfter jetzt selbst umbaue. Grafikkarte und Prozessor allein ist ja schon einiges Wert mit den aktuellen Preisen.
 
Crowdey schrieb:
meinst du mit zwei Anschlüssen jetzt den CPU_Fan1 und den SYS_Fan1 Anschluss?
Ja genau, ist quasi nur 1 Anschluss übrig.

Eventuell kann man eine der Adern durchknipsen und damit die Spannung reduzieren. Oder man steckt etwas vor den Hauptverteiler, dass die Spannung von 12 auf 5 oder 7 Volt reduziert - wenn die Lüfter dann noch anspringen.

Das ist eher eine Frage für einen Elektriker.


Eine denkbare Lösung:
https://geizhals.de/arctic-p12-pwm-pst-schwarz-acfan00137a-a1920167.html
Sinngemäß sowas
https://geizhals.de/lamptron-cp436-silber-lamp-cp436s-a1654862.html?hloc=de
... ursprünglich kamen die mal vorne beim optischen Laufwerk rein.
Aber dein Gehäuse hat sowas gar nicht mehr.

=> der Vorschlag von PCTüftler passt besser / ist günstiger.
 
Zuletzt bearbeitet:
  • Gefällt mir
Reaktionen: Zwirbelkatz
Was ist das denn für ein weißer Stecker OBEN an der Platine?

Aber ja. Das sind scheinbar keine standardisierten Anschlüsse, da hier Lüfter- und LED-Kabel irgendwie zusammengefasst sind.
 
@Zwirbelkatz

Das mit dem Abknipsen lass ich mal lieber sein :D ansonsten werde ich die Lüfter austauschen.

@PCTüftler

Ja bräuchte ich dennoch neue Lüfter da ich die Stecker wie gesagt nicht mehr von der Platine runter bekomme ... Mehr Gewalt möchte ich auch hier ungern ausüben, bevor ich noch was kaputt mach oder die Anschlüsse direkt von der Platine reiße.

Ich bin mir jetzt nicht sicher, ob der Amazon Link richtig funktioniert, da der Rechner aktuell nicht mehr zur Verfügung steht und nun ein schwächeres Modell kommt.

Hier nochmal der Titel zum Rechner:

Memory Gaming PC AMD Ryzen 9 3900X 12x 4.6 GHz, 32 GB DDR4 RAM 3000 MHz, MSI B450 StoreMI, 480 GB SSD+2000 GB HDD, NVIDIA GeForce RTX 3070 8GB

Gezahlt habe ich für die Röhre ziemlich genau 2k.

@kachiri
der weiße Stecker läuft einfach ins nichts, bzw ist nirgends angeschlossen. Auf dem Kabel steht leider auch nichts...
 
Am anderen Ende vom weißen Stecker ist aber schon noch ein Stecker dran? Kannst du den mal fotografieren?

Ich würde (wenn du nicht bunte Lüfter haben willst), die Arctic P12 PWM PST kaufen, 5er Pack, ab 23€ mit Versand. Da steckst du einen ans Mainboard, die anderen dann an den PST der Lüfter davor und kannst übers UEFI die Lüfterkurve einstellen.
 
  • Gefällt mir
Reaktionen: Zwirbelkatz
Das wäre der "Stecker" auf der anderen Seite.

Bild_2021-03-22_134242.png


Danke, die Lüfter schau ich mir gleich mal an. Schaut ja preislich absolut ok aus.

@PCTüftler
Ahja ok, Missverständnis :D
 
Okay... ist für die RGB-Steuerung.

Ich finde solche Platinen ja echt hilfreich und scheinen auch in billigen Gehäuse immer häufiger vorzukommen. Aber ein Kabel von Platine zum Mainboard wäre ja nicht zu viel verlangt :x
 
@modena.ch

Leider funktioniert der Link nicht mehr richtig, da der gekaufte PC aktuell Ausverkauft ist und du somit jetzt eine andere Variante angezeigt bekommst.

Bin die Kabel nochmal durchgegangen. Die gehen direkt auf die Platine, da ist kein zwischen Stecker mehr.

Werde wohl nicht drum herum kommen, neue Lüfter zu kaufen und die direkt auf das Mobo zu verlegen.

Danke euch allen.
 
Lian Li Combo AIO
Zurück
Oben