Ich schon! Nicht jeder kauft sich alle zwei Jahre ein neues Mainboard, die Lebensdauer der Batterie beträgt 2-5 Jahre.Xaphyr schrieb:Hast du die ernsthaft schon jemals gewechselt? Oo
Du verwendest einen veralteten Browser. Es ist möglich, dass diese oder andere Websites nicht korrekt angezeigt werden.
Du solltest ein Upgrade durchführen oder einen alternativen Browser verwenden.
Du solltest ein Upgrade durchführen oder einen alternativen Browser verwenden.
News TUF Gaming B760M-BTF: Asus packt Anschlüsse auf die Mainboard-Rückseite
- Ersteller MichaG
- Erstellt am
- Zur News: TUF Gaming B760M-BTF: Asus packt Anschlüsse auf die Mainboard-Rückseite
estros
Fleet Admiral
- Registriert
- Sep. 2009
- Beiträge
- 10.718
@xexex
Zwei Jahre nur, wow.
Was machst du damit? Monatelang Stromlos in die Ecke stellen?
Also ich hab schon zig Rechner gehabt, aber nach zwei Jahren hat noch jeder die Einstellungen beibehalten. Bei 10 Jahre+ kann ich es vereinzelt verstehen. Bei meinem neusten MB ist die Batterie sogar per Connector angeschlossen. Austausch kaum selber möglich. Hab persönlich aber keine Angst nach 2 Jahren Probleme zu haben.^^
Zwei Jahre nur, wow.
Was machst du damit? Monatelang Stromlos in die Ecke stellen?
Also ich hab schon zig Rechner gehabt, aber nach zwei Jahren hat noch jeder die Einstellungen beibehalten. Bei 10 Jahre+ kann ich es vereinzelt verstehen. Bei meinem neusten MB ist die Batterie sogar per Connector angeschlossen. Austausch kaum selber möglich. Hab persönlich aber keine Angst nach 2 Jahren Probleme zu haben.^^
1. Ich habe über den Wert der Arbeitskraft gesprochen. Nicht über den der Person! Lesen würde helfen.Schinken42 schrieb:Welchen Unterschied macht es denn, wer es aufgeräumt hält (vom richtig unsympathischen Nebensatz, wie viel mehr du wert seist als deine "Putze" mal abgesehen)?
Deine Frage war doch, "Wozu". Also, "Wozu" macht denn Jemand unter deinem Sofa sauber? Sieht doch keiner!
Und Nein, du musst nicht antworten, nur Mal drüber nachdenken, dann hast du nämlich deine Antwort.
2. Also bei meiner Couch würde ein Windstoß im Zweifelsfall Staub und sonstigen Dreck in den sichtbaren Bereich tragen. Dafür gebe ich kein Geld aus.
3. Meine Gehäuse haben bis auf eines gewollt kein Sichtfenster. Ich verzichte weitestgehend auch auf Bling Bling. Insofern kann da auch ein Kabelsalat ohne Gleichen enthalten sein. Hauptsache das Ding Funktioniert. Ich gehe ja auch nicht, um mal ein anderes Beispiel zu nennen, hin und verchrome/lackiere den Motorblock in meinem Auto nur weil es besser aussehzen könnte.
Bei meinem Z370 Board war die Batterie nach etwas mehr als drei Jahren leer. Dell gibt an zwischen 2-3 Jahren, mit deinen 10 Jahren kommst du heutzutage jedenfalls nicht hin, vielleicht war das mal zur "Computersteinzeit" noch so.estros schrieb:Was machst du damit? Monatelang Stromlos in die Ecke stellen?
https://www.dell.com/support/kbdoc/...ext=Die CMOS-Batterie liegt im,rund 2-3 Jahre).
Ben_computer_Ba
Lt. Commander
- Registriert
- Sep. 2021
- Beiträge
- 1.172
Ja klar, dadurch werden die Temperaturen erheblich geringer ausfallen, da der airflow so viel besser ist. Meinst du das ernst? Der Unterschied wird aller höchsten 1 Grad betragen... Wie oft wechselt man das Netzteil? Sehr selten, der Vorteil erspart einen eventuell 5 min. Sauber verkabeln kann man es auch so, ordentliche Kabel und gehäuse nehmen und alles sieht absolut ordentlich aus.xexex schrieb:Die Optik ist an dieser Stelle fast schon zweitrangig! Besserer Airflow und einfacherer Netzteilwechsel, wären für mich die Hauptgründe für die Lösung. Schlichtweg keine Kabel mehr quer durch das Mainboard ziehen zu müssen, sondern alles bis auf die GPU sauber auf der Rückseite verkabeln.
Richtig!drago-museweni schrieb:Halte das Ganze eh für weniger sinnvoll, wenn dann bräuchte es einen neuen Standard für solche Spielereien.
Grundsätzlich finde ich die Idee gut, aber es muss ein Standard her den alle künftigen Gehäuse erfüllen.
Ansonnsten ist Ärger vorprogrammiert.
Creeping.Death
Vice Admiral
- Registriert
- Juni 2005
- Beiträge
- 6.412
Im Normalfall ja, aber jeder, der schon mal versucht hat, einen Fehler zu lokalisieren, der würde die "Asus-Lösung" sicherlich nicht verachten.Ben_computer_Ba schrieb:Wie oft wechselt man das Netzteil? Sehr selten
Ein Blick in deine Signatur sagt mir, dass dein letzter Netzteilwechsel nicht so ewig her sein dürfte.
ClausWARE
Newbie
- Registriert
- Dez. 2017
- Beiträge
- 7
@Donnidonis
Die 100A hatte ich von einem 1000W Netzteil auf Caseking, auch wenn ich mit da versehen hatte, da ich die "3,3V+5V: 125 W" als 125A gelesen hatte, aber ich hab auch Netzteile mit 133A allein auf 12V gefunden, mit bis zu 40A auf einer Leitung.
Keine Ahnung bis wohin die Spezifikationen gehen, aber entscheidend ist dabei halt nicht, wie wenig die kleinen Rechner benötigen, sondern wo das Max liegt.
Und natürlich könnte man die Spannung erhöhen um mit geringeren Strömen auszukommen, aber das währ dann zu allem bisherigen halt nicht mehr kompatibel!
Die 100A hatte ich von einem 1000W Netzteil auf Caseking, auch wenn ich mit da versehen hatte, da ich die "3,3V+5V: 125 W" als 125A gelesen hatte, aber ich hab auch Netzteile mit 133A allein auf 12V gefunden, mit bis zu 40A auf einer Leitung.
Keine Ahnung bis wohin die Spezifikationen gehen, aber entscheidend ist dabei halt nicht, wie wenig die kleinen Rechner benötigen, sondern wo das Max liegt.
Und natürlich könnte man die Spannung erhöhen um mit geringeren Strömen auszukommen, aber das währ dann zu allem bisherigen halt nicht mehr kompatibel!
Tiimati
Lt. Commander
- Registriert
- Apr. 2010
- Beiträge
- 1.792
2-3 Jahre?xexex schrieb:Bei meinem Z370 Board war die Batterie nach etwas mehr als drei Jahren leer. Dell gibt an zwischen 2-3 Jahren, mit deinen 10 Jahren kommst du heutzutage jedenfalls nicht hin, vielleicht war das mal zur "Computersteinzeit" noch so.
https://www.dell.com/support/kbdoc/de-de/000135183/how-to-replace-a-cmos-coin-cell-battery-on-your-dell-desktop-computer#:~:text=Die CMOS-Batterie liegt im,rund 2-3 Jahre).
Also mein PC habe ich im Juni 2017 gebaut. Noch kein Problem gehabt.
Jetzt wo ich das Z370 gerade gelesen habe...
Mein vorheriger PC von 2013 läuft bei meinem Vater auch noch mit der Original Batterie.
Schinken42
Captain
- Registriert
- März 2021
- Beiträge
- 3.309
Was auch immer das mit meiner Frage zu tun hatte. Wozu macht jemand unter deiner Couch sauber, wenn's keiner Sieht?GuruRHM schrieb:1. Ich habe über den Wert der Arbeitskraft gesprochen. Nicht über den der Person! Lesen würde helfen.
2. Also bei meiner Couch würde ein Windstoß im Zweifelsfall Staub und sonstigen Dreck in den sichtbaren Bereich tragen. Dafür gebe ich kein Geld aus.
3. Meine Gehäuse haben bis auf eines gewollt kein Sichtfenster. Ich verzichte weitestgehend auch auf Bling Bling. Insofern kann da auch ein Kabelsalat ohne Gleichen enthalten sein. Hauptsache das Ding Funktioniert. Ich gehe ja auch nicht, um mal ein anderes Beispiel zu nennen, hin und verchrome/lackiere den Motorblock in meinem Auto nur weil es besser aussehzen könnte.
Aber ich hab nach dem dritten Mal auch keine Lust mehr auf deine Antwort zu warten.
Also lassen wir das einfach.
FGA
Banned
- Registriert
- Feb. 2010
- Beiträge
- 1.281
Das macht alles keinen Sinn! Baut euch doch nen anständigen PC zusammen von mir aus noch gedämmt und stellt den unter den Tisch.
Auf den Tisch stellt ihr euch dann nen Glaskasten mit Beleuchtung und Wasserschläuchen eurer Wahl. Warum nicht gleich ein Aquarium?
Dann gäbs auch weniger Gejammer über zB Spulenfiepen.
Auf den Tisch stellt ihr euch dann nen Glaskasten mit Beleuchtung und Wasserschläuchen eurer Wahl. Warum nicht gleich ein Aquarium?
Dann gäbs auch weniger Gejammer über zB Spulenfiepen.
Ben_computer_Ba
Lt. Commander
- Registriert
- Sep. 2021
- Beiträge
- 1.172
Ja klar, aber auch da ist doch die Frage, wie oft man einen Fehler lokalisieren muss, wenn man ordentlich baut und auch Software seitig acht gibt, hat man doch nur sehr sehr selten Probleme. Aber ja, vielleicht freut man ich dann 5min zu sparen.Creeping.Death schrieb:Im Normalfall ja, aber jeder, der schon mal versucht hat, einen Fehler zu lokalisieren, der würde die "Asus-Lösung" sicherlich nicht verachten.
Das ist absolut richtig, um genauer zu sein Ende letzten Jahres, aber das war nur dem geschuldet, dass die 4090 den neuen Anschluss hat und auch andere Reserven vom Netzteil erfordert, dass werde ich nun aber sicherlich mindestens bis zur nächsten GPU Generation behalten, wahrscheinlich eher bis zur übernächsten. Von daher hält sich der Wechsel vom Netzteil, sogar bei mir, in GrenzenCreeping.Death schrieb:Ein Blick in deine Signatur sagt mir, dass dein letzter Netzteilwechsel nicht so ewig her sein dürfte.
- Registriert
- Mai 2021
- Beiträge
- 2.214
Ja, habe das eben nochmal in die Suche geschmissen und dann bekam ich tatsächlich auch den Cube angezeigt. Sehr schönes Gehäuse.Munkman schrieb:Nein hier ist die Schönheit Level 20 XT und von solch Gehäusen gibt es halt kaum welche wo das Mainboard liegt und so viel platz für allerhand Kram ist.
Von dem Level 20 gibt es ja auch eine normale vertikale Variante und nur diese wurde mir gestern angezeigt.
Ganz einfachStreetracer schrieb:Was spricht dagegen ein Standardgehäuse einfach auf die Seite zu legen und in Betrieb zu nehmen?
Das Seitenteil hat keine Gummierung. Das verschrammt man über die Zeit zwangsläufig, wenn man da nichts dazwischen legt.
Zum anderen, die normalen Füße bzw. was die Hersteller sich da alles für eigene Formen ausdenken und anbringen, bekommt man nicht bei jedem Gehäuse einfach abmontiert.
Dazu kommt, dass der Boden nicht immer auf möglichst schön getrimmt ist, da man den normalerweise nicht sieht.
Und nicht alle Gehäuse haben eine komplett gerade Seite. Wenn die im Bereich vom Deckel oder Boden breiter werden, oder das Konstrukt der Füße, wie bspw. beim PureBase 500DX, einseitig übersteht, liegt das Gehäuse schief bzw. unschön auf der Seite.
Creeping.Death
Vice Admiral
- Registriert
- Juni 2005
- Beiträge
- 6.412
Wenn es nur 5 Minuten wären, dann wäre der Gewinn nicht hoch.Ben_computer_Ba schrieb:Aber ja, vielleicht freut man ich dann 5min zu sparen.
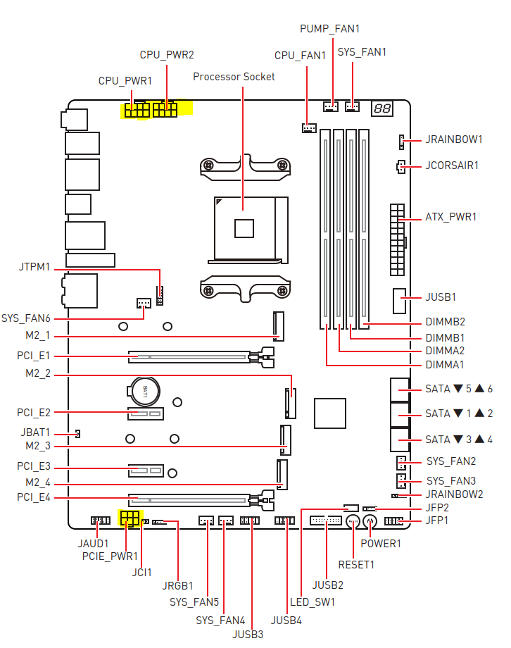
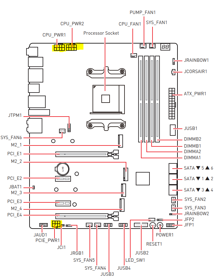
Alleine die zwei 8-pin Stecker (CPU_PWR1 + CPU_PWR2) von hinten durch den Mainboard-Tray zu fummeln hat mich beim letzten Mal fast 10 Minuten gekostet. Als ich noch die gesleevten Corsair-Kabel meines vorigen Netzteils dran hatte, sogar noch länger.
Dann nicht zu vergessen den 6-pin Stecker unten links (PCIE_PWR1). Der ist quasi auf Höhe des Netzteilschachts. Besonders bei eingebautem Netzteil ist das ein Traum, das Ding von hinten unten durchzutüddeln und dann auch noch zu drehen.
Dann noch die internen USB2.0 Header, Fans, ARGB ... usw.
Ja, natürlich konnten wir Jahrzehnte mit Anschlüssen auf der Vorderseite überleben, aber wenn es auf der Rückseite komforttabler geht - warum nicht?
frankyboy1967
Lieutenant
- Registriert
- Feb. 2005
- Beiträge
- 921
Im Prinzip doch Worscht, solang man ned sein Geld damit verdient.Creeping.Death schrieb:Wenn es nur 5 Minuten wären, dann wäre der Gewinn nicht hoch.
Anhang anzeigen 1334409
Alleine die zwei 8-pin Stecker (CPU_PWR1 + CPU_PWR2) von hinten durch den Mainboard-Tray zu fummeln hat mich beim letzten Mal fast 10 Minuten gekostet. Als ich noch die gesleevten Corsair-Kabel meines vorigen Netzteils dran hatte, sogar noch länger.
Dann nicht zu vergessen den 6-pin Stecker unten links (PCIE_PWR1). Der ist quasi auf Höhe des Netzteilschachts. Besonders bei eingebautem Netzteil ist das ein Traum, das Ding von hinten unten durchzutüddeln und dann auch noch zu drehen.
Dann noch die internen USB2.0 Header, Fans, ARGB ... usw.
Ja, natürlich konnten wir Jahrzehnte mit Anschlüssen auf der Vorderseite überleben, aber wenn es auf der Rückseite komforttabler geht - warum nicht?
Creeping.Death
Vice Admiral
- Registriert
- Juni 2005
- Beiträge
- 6.412
Ich bin auch glücklich einen Geschirrspüler zu haben, obwohl ich mit Geschirr kein Geld verdiene.
Es geht einfach darum, dass solch eine Veränderung wie Asus sie hier anbietet im Prinzip ein Schritt in die richtige Richtung ist. Ohne Standard wird das aber sicher nichts werden.
Es geht einfach darum, dass solch eine Veränderung wie Asus sie hier anbietet im Prinzip ein Schritt in die richtige Richtung ist. Ohne Standard wird das aber sicher nichts werden.
Wenn meinn Diskussionsparrtner nicht mal fähig ist, meine in #3 gegebene Antwort zu sehen und zu verstehen, ist das Bleiben lassen wahrich besser.Schinken42 schrieb:Was auch immer das mit meiner Frage zu tun hatte. Wozu macht jemand unter deiner Couch sauber, wenn's keiner Sieht?
Aber ich hab nach dem dritten Mal auch keine Lust mehr auf deine Antwort zu warten.
Also lassen wir das einfach.
Ergänzung ()
Bei einem Aquarium wäre vermutlich die Pumpe zu laut. Wenn eine Memme jammern will, dann findet er was, an dem er herumnörgeln kann. Auf einer meiner Kaffeebecher steht "Das MiMiMi, groß in Dir ist"...FGA schrieb:Das macht alles keinen Sinn! Baut euch doch nen anständigen PC zusammen von mir aus noch gedämmt und stellt den unter den Tisch.
Auf den Tisch stellt ihr euch dann nen Glaskasten mit Beleuchtung und Wasserschläuchen eurer Wahl. Warum nicht gleich ein Aquarium?
Dann gäbs auch weniger Gejammer über zB Spulenfiepen.
Eldenfürst
Cadet 1st Year
- Registriert
- März 2022
- Beiträge
- 10
Ein ganz klares JeinDrewkev schrieb:Ich denke viele sind - wie ich auch - zwiegespalten.
Einerseits ja, andererseits nein.
Ähnliche Themen
- Antworten
- 41
- Aufrufe
- 7.271