XMP Profil 2 aktiviert - BIOS Startet nicht mehr

Rouven90

Cadet 1st Year
Registriert
Jan. 2020
Beiträge
13
Guten Tag zusammen,

würde gerne euren Rat hören.

Habe in BIOS das XMP Profil 2 aktiviert. Wollte damit bezwecken das der Arbeitsspeicher auf eine höhere Mhz Taktet.

Vorher lief er auf 2133 Mhz. Anschließend sollte er mit 2933 Mhz laufen.

Ergebnis PC startet zwar (Lüfter etc. laufen) aber Bildschirm bleibt aus und ich komm nicht ins BIOS.

Die PC Komponenten sind alle neu und haben vor der Einstellung funktioniert. Kurz zu meine Beweggründe. Habe 3000 Mhz Arbeitsspeicher gekauft und wollte halt auch das diese entsprechend so laufen. Gedanken eines Laien.

Welche Möglichkeiten habe ich jetzt?

Zu den PC:

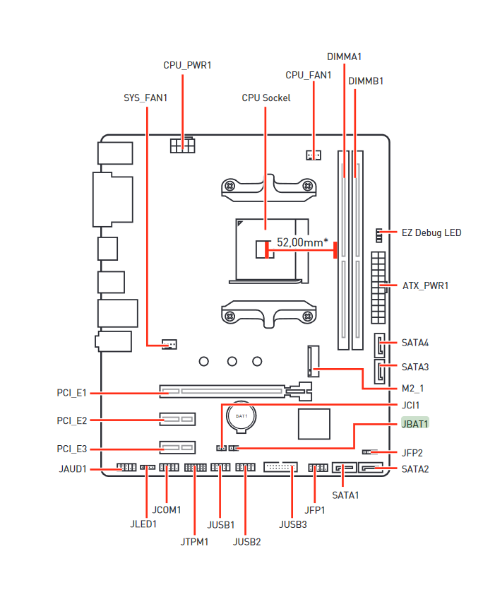
Mainboard: MSI 450M Pro-M2 MAX (Unterstützt bis 3466 Mhz) (Aktuelle BIOS Version ist installiert 7B84vA5)
Arbeitsspeicher: 16GB (2x 8192MB) G.Skill Aegis DDR4-3000 DIMM CL16-18-18-38 Dual Kit
Netzteil: be quiet System Power 400 Watt
Prozessor / Grafikkarte: AMD Ryzen 3 3200G

Was habe ich probiert:

1. PC von Netzstecker getrennt - gewartet - erneute Probiert
2. Ein 8 GB Arbeitsspeicher entfernt

Hoffe auf Ratschläge

Gruß
Rouven
 
Cmos reset dürfte dein Problem beheben :)
 
  • Gefällt mir
Reaktionen: Rouven90
2020-01-17.png

2020-01-17 (1).png


Alles was leitet funktioniert, Schraubendreher etc...
 
  • Gefällt mir
Reaktionen: Rouven90
Jab, Cmos Reset hilft.
  • Dabei das Handbuch des Mainboards zur Hilfe nehmen.
  • Eventuell muss du nen Jumper setzten oder das - Netzkabel ziehen oder die BIOS Batterie entfernen. Hängt ganz vom Mainboard ab.
  • Vllt. gibt es auch einen Button dafür =)

Ach und wenns wieder läuft, nicht aufgeben und geduldig frickeln bis du die 3000 am laufen hast. :)
Ergänzung ()

BastianDeLarge schrieb:
Alles was leitet funktioniert, Schraubendreher etc...

Na das nenne ich mal aus dem Handbuch vorlesen ;)
 
  • Gefällt mir
Reaktionen: BastianDeLarge
Leute. Ich könnt vor Glück grade springen! Hat geholfen!

Super. Vielen Vielen Dank für die schnelle Hilfe euch dreien!!
 
Wenn nur jedes Problem so einfach zu lösen wäre 😅
 
  • Gefällt mir
Reaktionen: BastianDeLarge
Für einen Freitag Nachmittag genau das richtige =)
 
  • Gefällt mir
Reaktionen: BastianDeLarge
Stell nächstes mal die Spannung auf 1.4V wenn du auf XMP2 gehst. Dann sollte das auch laufen.
 
@Ned Flanders Danke für den Tipp.

Hab aber leider doch noch Probleme.


Hab verschiedene Bluescreens. Hab deswegen die Festplatte komplett Formatiert und Windows neu installiert. Nach ungefähr 10 Minuten kam trotz neu Installation wieder ein Fehlermeldung. "Stillstandcode: PAGE FAULT IN NONPAGE ARE"

Besteht die Möglichkeit das oben genannter Vorgang die Hardware beschädigt hat?

Wie gesagt Festplatte komplett neu Formatiert. (Festplatte war auch neu - gestern das erstmal Windows drauf gepackt)

In BIOS sieht alles "normal" aus. Also alle Komponenten wurden erkannt. RAM steht wieder auf 2133 Mhz. Temperatur von CPU und Mainboard sind auch normal unter 30 Grad.
 
Ist sie denn aktiviert? Du sagst doch er läuft auf 2133mhz?
 
Nach dem CMOS Reset wurde ja wieder alles auf Standard gesetzt. Das habe ich auch erstmal gelassen. Sprich XMP ist Deaktiviert und der RAM läuft wieder auf 2133 mhz. Die beiden 2x 8 GB werden mir im BIOS weiterhin angezeigt.
 
Das Board hat nur zwei Slots. Hab gestern noch Versucht nur je einen Arbeitsspeicher und auch die verschiedenen Slots je getauscht. Immer wieder Fehler. Die Windows Speicherdiagnose hat keine Fehler gefunden.

Seit heute morgen läuft alles. Hab jetzt mehrere Stunden ohne Probleme gearbeitet. Wirklich komisch. Ich hoffe jetzt erstmal das es funktioniert.
 
  • Gefällt mir
Reaktionen: Architron
Jetzt ist der Fehler doch wieder aufgetreten.

Wieder "Stillstandcode: PAGE FAULT IN NONPAGE ARE"

Der PC Startet dann neu. Danach war Tastatur / Maus und WLan Karte ohne Funktion. Erst nach erneuten PC Aus / An schalten läuft wieder alles.

Hat da vielleicht einer eine Idee was ich noch Überprüfen kann?
 
Ich warne ja immer davor gerade beim Arbeitsspeicher die billigsten der billigsten zu kaufen. Ich würde die Aegis verhökern und einen Satz RAMs mit Micron E Dies kaufen. e.g. die Crucial Ballistix 3200MHz CL16 oder die 3000MHz CL15.

Die Aegis waren soch immer die Resterampe von G.Skill auf der verbaut wurde was halt beim Binning durchgefallen war. Da weist du nichtmal ob auf beiden Modulen die gleichen ICs verbaut sind.

Die Ballistix kosten 15 Euro mehr und dafür hast du so mit das feinste im RAM Slot was es gibt.

Wie sagt man so schön: Immer das zweitbilligste kaufen.
 
Hm ok. Würdest du ausschließen das das Mainboard was abbekommen haben könnte?
 
Sapphire Forum
Zurück
Oben