2x M.2 NVME Slots für SanDisk Extreme Pro NVMe auf dem X470 GAMING PRO CARBON?

Nic2059

Lieutenant
Registriert
Feb. 2015
Beiträge
530
Also irgendwie Verstehe ich das alles net, ich möchte mir gerne eine Schnellere SSD holen die halt Oben genante in der 500GB Version, mein Board hat 2x M.2 Anschlüsse, können beide mit der den Karten ohne Einschränkungen Betrieben werden oder ist der 2 also der Untere nur auf SATAIII SSD eingestellt??

Danke schonmal,
Und wie sieht es denn mit dem Board als Steckkarte für M2. NVME aus? für z.b 2 Karten Plus die eine die ich Eventuell unter dem Shield unterbringen lassen kann??
 
Steht in der Anleitung.

M2_1 - 3.0x4
M2_2 - 2.0x4


SATA3 port will be unavailable when installing SATA M.2 SSD in M2_2 slot.
 
ach, gäbe es doch nur sowas wie handbücher oder specs...
2 x M.2 ports (Key M)
M2_1 slot (from AMD® processor) supports PCIe 3.0 x4 (RyzenTM Desktop processors) or PCIe 3.0 x2 (A-series/ Athlon™ processors) 2242/ 2260 /2280/ 22110 storage devices
M2_2 slot (from AMD® X470 Chipset) supports PCIe 2.0 x4 and SATA 6Gb/s 2242/ 2260 /2280 storage devices

:rolleyes:
 
Also möglich beide schnellen SSD mit Verlust eines Ports zu Betreiben?

Ja gibt es aber mit Brocken Englisch ist des garnet so leicht, und für solche fragen gibt es ja ein Computerbase Forum,
 
Auf Port 1 mit voller Geschwindigkeit - immer!
Auf Port 2 nur mit halber Geschwindigkeit und Verlust eines SATA ports.
 
@ TE: nein, nicht möglich, weil der zweite M.2-slot nur mit 2.0_x4 angebunden ist.

edit @Technoligie:
SATA3 fällt bei verwendung einer SATA-M.2 in M2_2 weg. bei verwendung einer PCIe-M.2 wird PCI_E5 deaktiviert.
 
Ah OK - soweit habe ich nicht gelesen :)

Nachtrag: PCI_E5 slot will be unavailable when installing M.2 PCIe SSD in M2_2 slot.
 
Ok gut 1 Port volle Geschwindigkeit
der 2 Port nur auf SSD SATA3 Geschwindigkeit?

Was wäre denn mit einer Erweiterungskarte den ich an die PCIe 3x 8 Fach noch 2 weitere Anbringe?
Glaube mir würden für die Graka dann 8 Lanes fehlen aber das soll ja net soo groß ins Gewicht fallen oder?
 
@ TE:
ist das denn so schwer? der zweite M.2-slot läuft mit 2.0_x4 statt 3.0_x4 und wenn dort eine PCIe-M.2 drin steckt wird PCI_E5 deaktiviert. 2.0_x4 ist immer noch deutlich schneller als SATA3.

was erhoffst du dir eigentlich von den PCIe-SSDs?

edit:
man kann per adapterkarte ne PCIe-M.2 im zweiten x16-slot betreiben. ob es auch entsprechende karten gibt auf denen zwei M.2s laufen weiß ich nicht. und ja, die graka im ersten x16-slot verliert dadurch 8 lanes.
 
Ja aller Anfang ist Schwer bitte ein wenig Geduld.
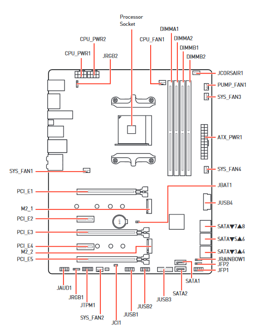
Was ist denn PCI_E5? habe leider noch nichts davon gehört tut mir leid

Für Videoschnitt und Rendering und co da erhoffe ich mir einen Massiven vorteil auch um die sachen Zwischen zu Speichern
 
Es fällt nicht ins Gewicht, wenn die zweite NVME nur mit PCI 2.0 x4 angebunden ist.

Oder kopierst Du den ganzen Tag Daten von der einen auf die andere SSD?
 
Nic2059 schrieb:
Was ist denn PCI_E5? habe leider noch nichts davon gehört tut mir leid
seite 29 im handbuch beantwortet dir diese frage. dafür muss man auch kein englisch können.

edit:
x470gpc.png
 
Obige Posts sind doch eindeutig
Wenn Du 2 NVMe SSDs verwendest, laufen die mit folgenden Werten
M2_1 - 3.0x4 (direkt von der CPU, daher PCIe 3.0)
M2_2 - 2.0x4 (über den Chipsatz, daher PCIe 2.0)
Zusätzlich gilt:
Wenn Du eine zweite NVMe-SSD in M2_2 verwendest, entfällt der PCI-Slot PCI_E5, da die Lanes für M2_2 benötigt werden.
Wenn Du statt einer NMVe eine Sata-M2-SSD in M2_2 verwendest, fällt der Sata3-Port weg, PCI_E5 funktioniert weiterhin.

So interpretiere ich zumindest die Angaben, die die VorPoster zusammengetragen haben. Selbst nachgelesen habe ich nicht.

Cunhell
 
SATA3 hat theoretisch bis zu 600MByte/s.
PCIe 2.0 x4 hat theoretisch bis zu 2.000MByte/s.

Selbst der gedrosselte Anschluss wäre immer noch deutlich schneller als die SATA-Anschlüsse.

PCI_E5 ist der unterste PCIe-Steckplatz auf dem Mainboard. Dieser kann dann nicht mehr verwendet werden.
Vorausgesetzt die eingesetzte M.2 SSD ist ein PCIe-Modell.

Und ganz ehrlich: Das steht auch alles im Handbuch!
 
Ahh das PCI_E5 Bezieht sich auf den SATA Port auf dem Board also kann ich mit wegfall des Ports 2 dieser NVME Betreiben ohne das ich Verluste im Schreiben habe ja?

Also 3.200 Lesen und 2.500 Schreiben ja?

@KnolleJupp Alles klar also mit einem leichten Verlust ist zu Rechnen okki.
 
PCI_E5 ist einer der PCIe-Slots auf deinem Mainboard und hat nichts mit den SATA-Anschlüssen zu tun.
Dazu muss man kein Englisch können sondern nur Bildchen gucken...

Da PCIe 2.0 x4 nur bis zu 2.000MByte/s ermöglicht, ist das natürlich dann die Obergrenze für die SSD, selbst wenn diese mehr könnte.
 
  • Gefällt mir
Reaktionen: Prof-Falmer
@ TE:
jetzt ernsthaft? nein, nein und nein.

PCI_E5 hat mit den SATA-ports nichts zu tun.

edit:
M.2_1 -> 3.0_x4 von der CPU
M.2_2 -> 2.0_x4 vom chipsatz
- SATA-M.2 in M.2_2 -> SATA3 fällt weg
- PCIe-M.2 in M.2_2 -> PCI_E5 fällt weg

in der praxis sind bei 2.0_x4 mWn ~1500MB/s oder so möglich.
 
Zuletzt bearbeitet:
Wenn du auf diesem Mainboard zwei PCIe/NVMe SSDs in den beiden M.2 Slots einsetzt

- läuft eine davon normal
- läuft eine davon langsamer als sie könnte (in der Praxis etwa halb so schnell, aber immer noch doppelt so schnell wie jede SATA-SSD.)
- kannst du den untersten PCIe-Slot nicht mehr verwenden
- hat das keine Auswirkungen auf die SATA-Anschlüsse
 
Sapphire Forum
Zurück
Oben