Hallo,
nach langem Überlegen und dem Wunsch eine Wasserkühlung für den PC aufzubauen, benötige ich Hilfe um die für mich passenden Komponenten finden zu können. Außerdem habe ich gelesen, dass es drei Möglichkeiten gibt ein AGB in das System zu integrieren, wobei mir die Vor- bzw. Nachteile über eine T-Verbindung nicht deutlich geworden sind.
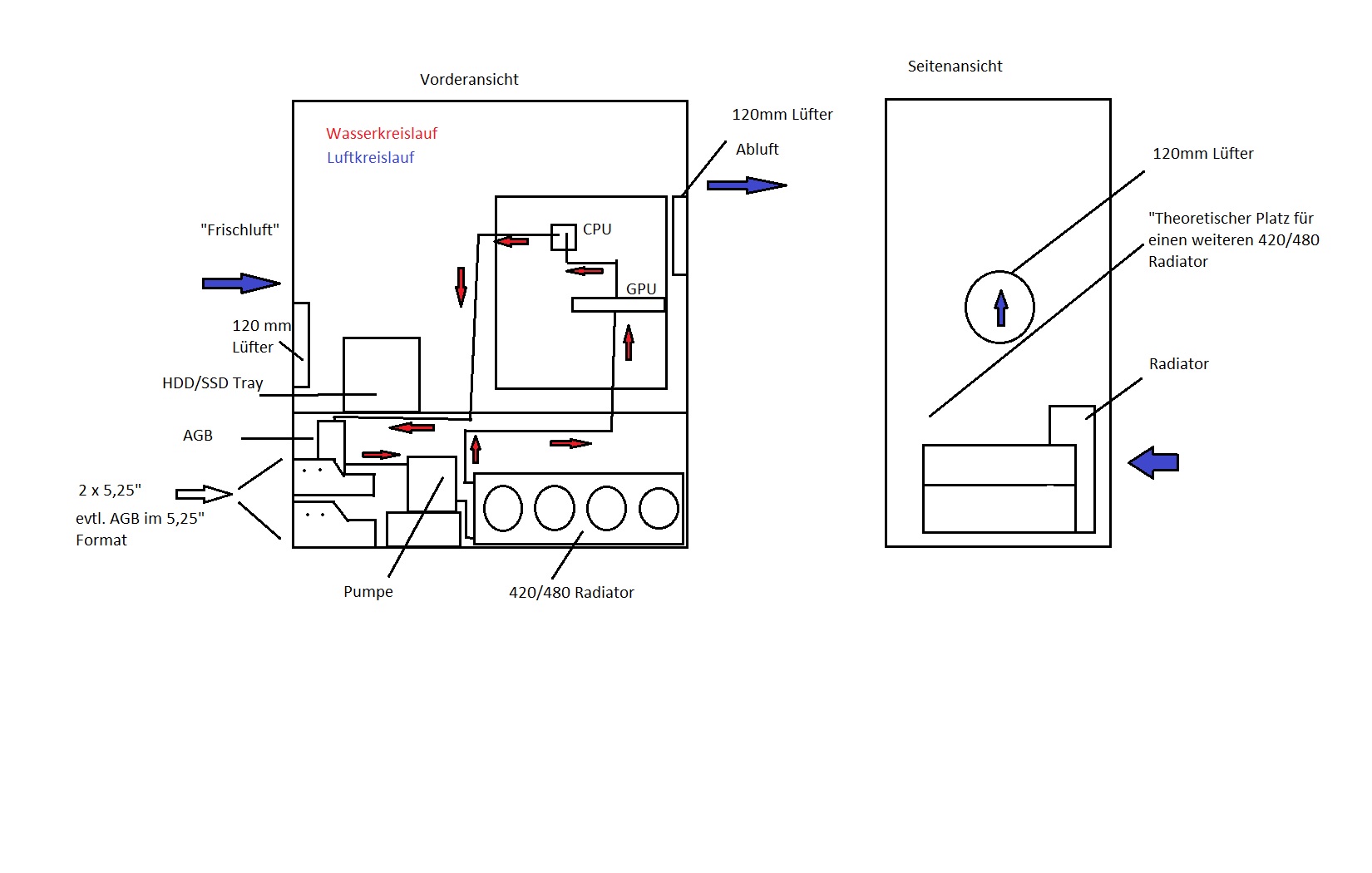
Gekühlt werden sollen CPU und GPU.
Die CPU ist ein i7-3930K und die GPU eine Gigabyte GTX670 OC.
Eine Lüftersteuerung ist vorhanden, evtl. um die Lüfter für den Radiator steuern zu können.
Soweit ich weiß, hat die 670 OC das PCB der GTX 680 und damit sollte doch ein Kühler für die 680 kompatibel sein, oder?
Ich habe keinerlei Vorstellung darüber wie groß die Fläche des Radiators sein muss um den PC möglichst leise kühlen zu können. Ich hätte aber gerne die Option, wenn mehr Leistung angefragt wird, dass die Kühlung nicht massiv darunter leidet.
Auf der Innenoberseite meines Gehäuses hätte ich theoretisch Platz für einen 420er Radiator. Eine externe Anbringung wäre auch möglich.
Zur Kühlflüssigkeit: Könnte ich auch einfach die Kühlflüssigkeit aus dem KFZ-Bereich (rot) verwenden oder würde das evtl. die Leitungen oder Pumpe festsetzen?
Vielen Dank für die Hilfe
nach langem Überlegen und dem Wunsch eine Wasserkühlung für den PC aufzubauen, benötige ich Hilfe um die für mich passenden Komponenten finden zu können. Außerdem habe ich gelesen, dass es drei Möglichkeiten gibt ein AGB in das System zu integrieren, wobei mir die Vor- bzw. Nachteile über eine T-Verbindung nicht deutlich geworden sind.
Gekühlt werden sollen CPU und GPU.
Die CPU ist ein i7-3930K und die GPU eine Gigabyte GTX670 OC.
Eine Lüftersteuerung ist vorhanden, evtl. um die Lüfter für den Radiator steuern zu können.
Soweit ich weiß, hat die 670 OC das PCB der GTX 680 und damit sollte doch ein Kühler für die 680 kompatibel sein, oder?
Ich habe keinerlei Vorstellung darüber wie groß die Fläche des Radiators sein muss um den PC möglichst leise kühlen zu können. Ich hätte aber gerne die Option, wenn mehr Leistung angefragt wird, dass die Kühlung nicht massiv darunter leidet.
Auf der Innenoberseite meines Gehäuses hätte ich theoretisch Platz für einen 420er Radiator. Eine externe Anbringung wäre auch möglich.
Zur Kühlflüssigkeit: Könnte ich auch einfach die Kühlflüssigkeit aus dem KFZ-Bereich (rot) verwenden oder würde das evtl. die Leitungen oder Pumpe festsetzen?
Vielen Dank für die Hilfe




