Dubaro pc startet nicht

Leider gibt der TE ja keine Rückmeldung
 
Ja leider.
Es wäre ärgerlich den wieder einschicken zu müssen da mein Aktueller PC abgeraucht ist und ich derzeit gar nix hab.
 
Weiß nicht ob dir das so langt?!
Es fühlt sich alles fest eingesteckt an
IMG20230315110841.jpg
IMG20230315110921.jpg
IMG20230315110821.jpg
 

Anhänge

  • IMG20230315110921.jpg
    IMG20230315110921.jpg
    4,3 MB · Aufrufe: 174
  • IMG20230315110841.jpg
    IMG20230315110841.jpg
    3,3 MB · Aufrufe: 138
  • IMG20230315110821.jpg
    IMG20230315110821.jpg
    1,4 MB · Aufrufe: 153
  • IMG20230315110831.jpg
    IMG20230315110831.jpg
    1,3 MB · Aufrufe: 141
Bin mir nicht ganz sicher, ob der Stecker unten
1678886047876.png
richtig sitzt, bzw ob da nicht nen Stecker fehlt.

1678886087037.png


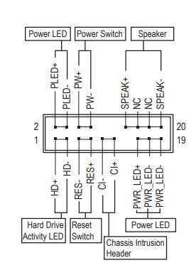
Kannst du nochmal ein Foto von dem F-Panel Steckanschluss inkl. Kabel machen?
 
Berichtige mich gern wenn ich mich Irre weil ( totaler nappel :D ) aber müsste nicht trotzdem das Netzteil irgendein Lebenszeichen von sich geben wenn ich Strom angeschlossen habe ?
Oder macht das Netzteil wirklich gar nix wenn irgendwo ein Stecker fehlt ?
Und verzeih mir bitte meine inkopetenz ;) aber welchen Steckanschluss meinst du genau ?
 
Theoretisch sollte das Lan Kabel (Internetkabel) wenn du es in den PC steckst, am Netzwerkadapter leuchten. Somit hättest du zumindest Sicherheit, dass Strom dran ist. Bin mir aber nicht sicher, ob das bei jedem Mainboard der Fall ist.


Der Stecker den ich meine ist rechts unten, genau unter der runden CR 2032 Knopfbatterie.
Man kann nur erahnen dass er im "Power Switch" drin steckt, allerdings sehe ich nicht genau, ob die ersten 2 Pins frei sind oder ob der doch eventuell falsch steckt.

Was ich gerade noch gesehen habe, von hinten:
1678886705577.png

Der steckt auch nicht ganz drin, denke zwar nicht, dass das ein Problem ist, würde ihn trotzdem ganz reinstecken.
Du könntest auch gleich den großen Stecker (Mainboardstecker) genau über dem Markierten überprüfen.
Da ist ja eine Halteschlaufe rund herum, eventuell sitzt der auch nicht richtig.
Solche Sleeve Kabel / Verlängerungen können schon Probleme darstellen, wenn sie nicht richtig funktionieren.

Edit: Falls das jetzt nichts hilft, warte auf eine Rückmeldung.
Man könnte noch das Netzteil überbrücken um zu schauen, ob das überhaupt funktioniert, würde ich dir jetzt aber nicht unbedingt raten, da du ja meintest, dich mit dem Ganzen nicht so gut auszukennen.

Grüße
 
Ohhhh.... Hast du Kabelverlängerungen dran? Wenn ja, weg damit!
 
Den meinste ja?
Ja der Support hat sich gemeldet und gefragt ob ich es mir zutraue mal nach den Kabelverbindungen zu gucken.
Ich hab auch alles nochmal fest gedrückt.
Ich bin mir auch nicht sicher ob's an den Verlängerungen liegt denn nicht mal der LAN Anschluss leuchtet.
Wenn ich den Kippschalter am Netzteil umlege ist's so als wäre kein Strom dran...... wirklich 0 Anzeichen für irgendwas wie Leben.
 

Anhänge

  • IMG20230315143957.jpg
    IMG20230315143957.jpg
    1,6 MB · Aufrufe: 153
Ja genau den, der ist auch richtig drin.. hm..
Es ist wirklich komisch, dass er absolut nichts macht.
Sowas aus der Ferne ist ja auch generell etwas schwierig.

Sonst schau mal hier nach, ist eine Helferliste aus dem Forum, eventuell ist jemand bei dir in der Nähe und könnte dir dabei helfen.

Ansonsten würde ich den Rechner zurückschicken, auch wenns umständlich ist :/
 
Ich denke auch dass das Netzteil den Transport nicht überlebt hat.
Man bekommt vor dem Versand ja noch die Meldung von Dubaro das der PC den ''Funktionstest'' bestanden hat und dann verpackt wird.
Also gehe ich mal von Transportschaden aus.

Ja es wird wohl auf eine Rücksendung hinauslaufen,hilft ja nix.

Trotzdem Danke für eure Unterstützung 👌
 
Wie Anfangs erwähnt hab ich 3 Steckdosenleisten und auch den Wandstecker ausprobiert, leider alles ohne Ergebnis.
Und richtig fest drin steckte das Kabel auch ja.
 
  • Gefällt mir
Reaktionen: Dr. McCoy
Dann zurück damit...
 
Joah...darauf wird's dann hinaus laufen.
Ich hoffe bloß dass das schnell und Umkompliziert über die Bühne geht.
So komplett ohne PC fühl ich mich wie in der Steinzeit :D
 
Zurück
Oben