AAAAAAAAaaaaalso, ich hab mal meine wertvolle Zeit geopfert (da hauts mich ja selbst fast weg

) und hab mal ne Schaltung zusammen gebaut, siehe Anhang
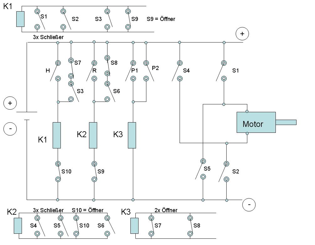
Erklärung:
- Ausgangspunkt ist ein 3poliger Kippschalter (KS), sprich mit 3 Zuständen (mittig "aus", links und rechts "ein")
- um den Motor in Gang zu bringen, wird der KS nach links oder rechts bewegt (links = Hochfahren = H ; rechts = Runterfahren = R)
- Ich bin bei meiner Schaltung davon ausgegangen dass man den KS nach Betätigung sofort wieder in die "aus"-Stellung bringt, sonst funktioniert die Schaltung nicht. Konnte auf die Schnelle keine Schaltung basteln die auch den eingeschalteten Zustand zulässt
Für die dies nicht wissen: Die Relais werden mit K benannt. Die Schalter, die daran verbunden sind, sind in der Grundstellung dargestellt, d.h. dabei hat das Relais keinen Strom.
SOOO
angenommen, man betätigt H:
- Schalter H wird geschlossen
- K1 (Relais) bekommt Strom und schließt S1, S2 und S3
- S3 dient zur sog. Selbsthaltung von K1
- so lange sich der Deckel nicht an den Anschlägen P1(unterer Anschlag) oder P2(oberer Anschlag) befindet, werden S7 und S8 auch nicht geöffnet und die Selbsthaltung funktioniert
[hier haben wir schon den ersten Schwachpunkt: H bzw. R müssen so lang gehalten werden, bis die Position die Anschläge=Magnetschalter P1 oder P2 verlassen hat, sonst funktioniert die Selbsthaltung der jeweiligen Relais nicht]
- Der Motor dreht sich und bewegt den Deckel durch Drehen der Gewindestange nach oben
- der obere Magnetschalter wird ausgelöst, schaltet K3
- K3 öffnet S7, die Selbsthaltung von K1 verloren
- Motor bleibt stehen
das selbe Prinzip wird beim runterfahren durch Betätigen der Stellung "R" realisiert...
dürfte eigentlich funktionieren!
wie gesagt, man hat die Schwachstelle, dass man H und R nicht drin lassen kann sondern nach dem die Anschlagsposition verlassen ist sollte man den KS wieder auf "aus" stellen sonst fährt der Motor weiter und macht Schaden - am Gehäuse oder sich selbst, je nach dem was eher nachgibt

außerdem sollte man P1 und P2 so anbringen, dass noch etwas Spiel ist.. kA wie schnell die Relais schalten....
für P1 und P2 könntest du neben Magnetschaltern auch mechanische Schalter benutzen, die durch die "vorbeirasende" Mutter ausgelöst werden
Kritik ist gern gesehen ! vll auch vorschläge zur realisierung, dass H und R gehalten werden können...
EDIT: hab selbst noch nen Fehler gefunden:
Wenn man einmal H oder R betätigt hat und loslässt, fährt der Motor so lang bis dann P1 oder P2 zum Ausschalten des Motors führen. Zwischendurch Anhalten ist also nicht drin!
Bzw. Sorgt dann das Betätigen von R, obwohl der Motor Hochfährt, nicht dafür dass die H-Schaltung abgeschaltet wird und schließt das System kurz...
aber ich lass mir fix was einfallen wie ich zumindest das zweite Problem lösen kann (mit Öffnern in K1 und K2)
EDIT_2: So, mit der zweiten Schaltung wenigstens das H-R-Problem gelöst: durch betätigen von R, während Hochfahren aktiv ist, wird S10 geöffnet und dadurch verliert K1 Strom und S1, S2 und S3 öffnen wieder. Genauso umgedreht. Funzt soweit.
.. so spontan fällt mir leider immer noch nix ein wie ich das System ohne Anbringen eines zusätzlichen Schalters neben dem Kippschalter während des Fahrens zum Anhalten bringe
EDIT_3: Was man noch beachten müsste ist, dass ja solche Relais meist nur ne begrenzte Anzahl von Öffnern/Schließern verbaut haben. Hatte damit auch nur im Studium zu tun und kenn mich mit verschiedenen Modellen nicht aus. Falls also manche Relais nur 2 Schließer haben muss man eben noch eins dahinter in Reihe schalten um den dritten Schließer zB. noch nutzen zu können...