PC startet, hat aber kein Bild

Nickel schrieb:
Keine Ahnung
Ergänzung ()

MyPVR schrieb:
Abgefallen? Die brechen ab, wenn man ohne zu Entriegeln die Grafikkarte rauszieht.

Bitte einmal von der Grafikkarte eine Detailaufnahme des PCIe Interfaces von beiden Seiten machen, nicht das dort etwas beschädigt würde oder aber das PCB der Karte angebrochen/abgeschrammt ist
 

Anhänge

  • IMG_20210828_133726.jpg
    IMG_20210828_133726.jpg
    1,7 MB · Aufrufe: 196
  • IMG_20210828_133720.jpg
    IMG_20210828_133720.jpg
    1,8 MB · Aufrufe: 190
Danke, da sehe ich nix auffälliges.
 
Und nochmals zu oben, zu dem einem RAM Modul in Slot "A2", wo es ja auch jetzt alleine steckt.
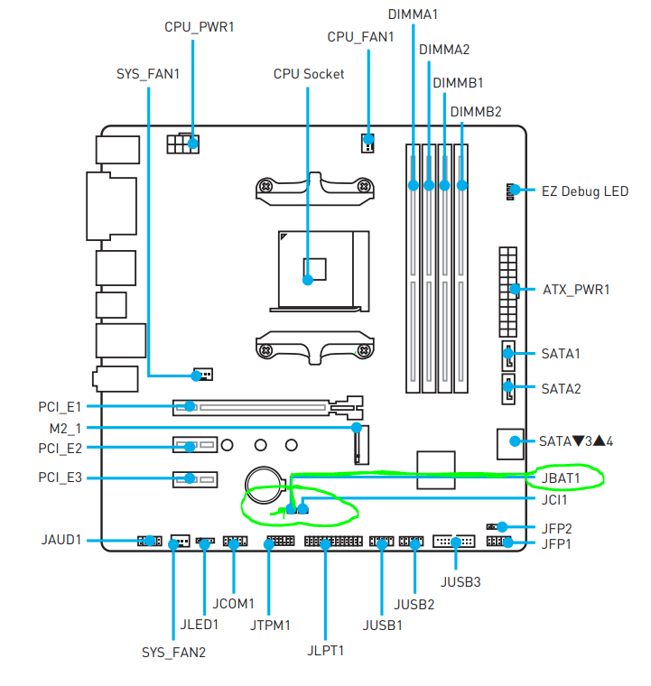
Genau so solltest du ein richtiges Bios-Reset (CMOS/clear) machen, wie im Handbuch beschrieben
mit Jumper setzen, bzw die hierfür erforderlichen PINS (CmosClear) überbrücken.
Ergänzung ()

MyPVR schrieb:
Danke, da sehe ich nix auffälliges.
Ist das kein Kratzer?
 
  • Gefällt mir
Reaktionen: MyPVR
Ist das Lack oder ein Kratzer?
1630150829867.png
 
MyPVR schrieb:
Sieht aus wie ein kleiner Kratzer
Ergänzung ()

Nickel schrieb:
Und nochmals zu oben, zu dem einem RAM Modul in Slot "A2", wo es ja auch jetzt alleine steckt.
Genau so solltest du ein richtiges Bios-Reset (CMOS/clear) machen, wie im Handbuch beschrieben
mit Jumper setzen, bzw die hierfür erforderlichen PINS (CmosClear) überbrücken.
Ergänzung ()


Ist das kein Kratzer?
Ich hab immer die BIOS Batterie rausgenommen, reicht das auch für ein BIOS resett?
 
Wenn das tatsächlich 'nen Kratzer ist, hat unter Umständen das PCIe Interface was abbekommen. Bitte mal genauer schauen und eine Detailaufnahme machen.
 
MyPVR schrieb:
Wenn das tatsächlich 'nen Kratzer ist, hat unter Umständen das PCIe Interface was abbekommen. Bitte mal genauer schauen und eine Detailaufnahme machen.
Oder nein es kann auch die Linie sein, die da weitergeht
 

Anhänge

  • IMG_20210828_134338.jpg
    IMG_20210828_134338.jpg
    1,6 MB · Aufrufe: 183
Celion schrieb:
ch hab immer die BIOS Batterie rausgenommen, reicht das auch für ein BIOS resett?
Ich schrieb doch, wie im Handbuch beschrieben, den hierfür erforderlichen Jumper setzen.
Nur die Knopfzelle mal kurz rausnehmen reicht nicht aus.
 
Oder ist das nur eine Fortführung der "Kreise"?
1630151122438.png

Ergänzung ()

Celion schrieb:
Linie sein, die da weitergeht
Ja, sieht eher nach Lack aus.
 
Nickel schrieb:
Ich schrieb doch, wie im Handbuch beschrieben, den hierfür erforderlichen Jumper setzen.
Nur die Knopfzelle mal kurz rausnehmen reicht nicht aus.
Achso, das wusste ich nicht. Was ist dieser Jumper genau?
 
  • Gefällt mir
Reaktionen: MyPVR
Mir würde außer dem Batterie-Wechsel erstmal nichts mehr einfallen.
 
MyPVR schrieb:
Oder ist das nur eine Fortführung der "Kreise"?
Anhang anzeigen 1117264
Ergänzung ()


Ja, sieht eher nach Lack aus.
Ja ist Lack
Ergänzung ()

Nickel schrieb:
:D

Das sind dann schon eher Kratzer:
Anhang anzeigen 1117266
Ne ist Staub ich habs weggemacht
Ergänzung ()

MyPVR schrieb:
Mir würde außer dem Batterie-Wechsel erstmal nichts mehr einfallen.
Ja ich Verkauf den PC jetzt einfach ohne RAM, vielen Dank für deine Hilfe!
 

Anhänge

  • 1.PNG
    1.PNG
    54,9 KB · Aufrufe: 162
  • 2.PNG
    2.PNG
    67,5 KB · Aufrufe: 170
  • 3.PNG
    3.PNG
    101 KB · Aufrufe: 161
Zuletzt bearbeitet:
Da steckt der Stecker nicht richtig drin. Sieht auf dem Bild so aus, also ob er "drüber" statt "drunter" sitzt.
Nochmals raus machen und den kleinen Stecker unter die Niedrhalternasen des großen Stecker setzten und wieder aufs Board stecken. Möglicherweise funktioniert es dann wieder.

1630153453594.png


1630153554988.png
 
Zuletzt bearbeitet:
@Huskypower Adlerauge 🙂 Da drücke ich mal die Daumen, daß es das ist.
 
Ist drin
Huskypower schrieb:
Da steckt der Stecker nicht richtig drin. Sieht auf dem Bild so aus, also ob er "drüber" statt "drunter" sitzt.
Nochmals raus machen und den kleinen Stecker unter die Niedrhalternasen des großen Stecker setzten und wieder aufs Board stecken. Möglicherweise funktioniert es dann wieder.

Anhang anzeigen 1117278

Ist drin
 
Was heißt ist drin? Wenn er so sitzt wie auf dem Bild zu sehen, ist er nicht drin.
Oder hast du das ATX Kabel nochmals komplett rausgemacht und richtig eingesteckt?
 
Zurück
Oben