PC stürzt ab wenn Solarstrom eingespeist wird

Wenn der Wechselrichter der Solaranlage nicht sehr hochwertig ist, dann kommt da kein sauberer Sinus raus. Das hat zur Folge, dass jede menge Oberwellen auf die Netzspannung aufmoduliert werden. Kommt dann noch dazu, dass das Netzteil nicht sehr hochwertig ist, besteht die Möglichkeit, dass die Spannungen höher oder niedriger sind als von der HArdware verarbeitbar.

Um das zu messen müsste der Elektriker ein Netzanalyse-Messgerät haben. Die sind relativ teuer und somit hat das kaum jemand.
 
  • Gefällt mir
Reaktionen: juwa, whats4 und alan_Shore
Nutzen die wirklich ein eigenes Format, oder kann man bei denen auch mit einem Adapter arbeiten? Bei Dell geht es mit einem Adapter.
 
duAffentier schrieb:
  • In Betracht ziehen einer unterbrechungsfreien Stromversorgung (USV)
kann im jeden Fall weiter helfen 👍
muss ja nicht die teuerste und größte USV sein sondern nur für den Zweck der Strom "Filterung" helfen.
 
Falls zumindest das Mainboard mit Standard-Anschlüssen arbeitet und der Rechner nicht allzu viel Leistung benötigt, könnte ggf. ein Ersatz (auf Grund der beschränkten Größe) durch ein Pico-PSU möglich sein.
 
GrumpyDude schrieb:
Hallo,

ich habe hier einen alten Bürorechner rumliegen mit einem proprietären Fujitsu Netzteil. Wenn die Solaranlage Strom einspeist und der Inverter an das Hausnetz angeschlossen ist, stürzt der Rechner ab (Bluescreen, Kernel Power).
Wenn ich aber die Solaranlage nicht einspeisen lasse, dann funktioniert der Rechner ohne Probleme (Prime95 Dauerlast). Es passiert tasächlich dann wenn Solareinspeisung da ist. Sonst ist der Rechner superstabil.

Das Problem ist, Netzteil an dem PC austauschen ist bisschen blöd da es ein eigenes Format (kein ATX) ist. Und überhaupt: Irgendeine Idee was mit dem Hausstrom ist wenn Strom eingespeist wird? Der Elektriker hat überprüft ob eine Überspannung am Hausnetz entsteht oder eine Phasenverschiebung: Konnte aber beides nicht feststellen.
Andere PCs mit Markennetzteilen (bequiet) scheinen das Problem nicht zu haben.

Hat einer noch eine Idee?
Die PV Anlage drückt mit einer höheren Frequenz, als das Kraftwerk.
Normalerweise haben wir 50 Hz. Aber um den Strom von der PV zu nutzen drückt diese mit 50,03Hz dagegen an.
Scheint wohl das dein Netzteil das nicht mag :)
 
  • Gefällt mir
Reaktionen: fairhext und roaddog1337
Deswegegen gleich die Hauselektrik zu überprüfen ist hinausgeworfenes Geld.

Vielleicht ist das Netzteil schon kurz vor kaputt und schmiert wegen jeder kleinen Netzschweinerei ab.

Was für ein Wechselrichter?

Es ist möglich dass z.B. Balkonkraftwerk und PC auf derselben Phase hängen.
Ich würde den PC währende des Einspeisens mal an einer anderen Phase probieren.
(Steckdose in anderen Räumen oder per Kabeltrommel)


Wenn das klappt kann die Phasen im Schrank zwischen 2 gleichen Automaten tauschen.


Ich würde mir aber jeglichen Aufwand sparen für einen alten Recher.
 
Zuletzt bearbeitet:
Skysurfa schrieb:
Wenn der Wechselrichter der Solaranlage nicht sehr hochwertig ist, dann kommt da kein sauberer Sinus raus. Das hat zur Folge, dass jede menge Oberwellen auf die Netzspannung aufmoduliert werden. Kommt dann noch dazu, dass das Netzteil nicht sehr hochwertig ist, besteht die Möglichkeit, dass die Spannungen höher oder niedriger sind als von der HArdware verarbeitbar.

Um das zu messen müsste der Elektriker ein Netzanalyse-Messgerät haben. Die sind relativ teuer und somit hat das kaum jemand.
Ja so ein Netzanalyse Messgerät ist im Prinzip ein Osziloskop der aber archiviert (eine Zeitreihe) oder? Das meinte der Elektriker dass das auch teuer ist. Hat er nicht.

Es ist eine große Solaranlage auf dem Dach (20 kWp) mit einem 12 kV Hybrid Wechselrichter.

Wie gesagt, alle anderen Geräte laufen einwandfrei, alles funktioniert. Nur dieser eine Rechner stürzt ab.
 
GrumpyDude schrieb:
Ja so ein Netzanalyse Messgerät ist im Prinzip ein Osziloskop der aber archiviert (eine Zeitreihe) oder? Das meinte der Elektriker dass das auch teuer ist. Hat er nicht.

Es ist eine große Solaranlage auf dem Dach (20 kWp) mit einem 12 kV Hybrid Wechselrichter.

Wie gesagt, alle anderen Geräte laufen einwandfrei, alles funktioniert. Nur dieser eine Rechner stürzt ab.
Du kannst auch einfach die Bubdesnetzagentur einschalten, die machen das für Unsonst.
Aber wie oben geschrieben Phase wechseln bringt nichts. Das dein Wechselrichter dreiphasig einspeist.

Oder du hast ein Problem mit Oberwellen. Hast du mal versucht ein Ferritkern um die Zuleitung des Nezzteils zuklappen?
 
  • Gefällt mir
Reaktionen: Fosqate
d0xs schrieb:
Du kannst auch einfach die Bubdesnetzagentur einschalten, die machen das für Unsonst.
Wie bitte? was machen die genau?
 
d0xs schrieb:
Die PV Anlage drückt mit einer höheren Frequenz, als das Kraftwerk.
Normalerweise haben wir 50 Hz. Aber um den Strom von der PV zu nutzen drückt diese mit 50,03Hz dagegen an.
Hast du schon mal gesehen was passiert, wenn man nicht Netzsynchron arbeitet? Wenn zwei Spannungen nicht Synchron laufen, dann hat man (so es denn funktionieren würde) nach einer Zeit x den worst case mit einer Phasenverschiebung von 180°. Der Strom, der dann fließt wird nur durch den Innenwiderstand des jeweiligen Netzes begrenzt.
 
  • Gefällt mir
Reaktionen: juwa
d0xs schrieb:
Oder du hast ein Problem mit Oberwellen. Hast du mal versucht ein Ferritkern um die Zuleitung des Nezzteils zuklappen?
Probiere ich! Interessant.
 
d0xs schrieb:
Die PV Anlage drückt mit einer höheren Frequenz, als das Kraftwerk.
Normalerweise haben wir 50 Hz.
Nur ganz selten.
Im Moment haben wir 49,972 Hz laut dieser Messung:
https://www.netzfrequenzmessung.de/

d0xs schrieb:
Aber um den Strom von der PV zu nutzen drückt diese mit 50,03Hz dagegen an.
Scheint wohl das dein Netzteil das nicht mag :)
Ich glaube nicht, daß das Netzteil einen Unterschied von ein paar Millihertz bemerkt.
Der Eingang wird ja so wie so zerhackt, so daß das bei einem Schaltnetzteil ziemlich egal ist.
Meistens sitzt auch noch eine Graetzschaltung vor dem Zerhacker und es wird pulsierende Gleichspannung weiterverarbeitet.

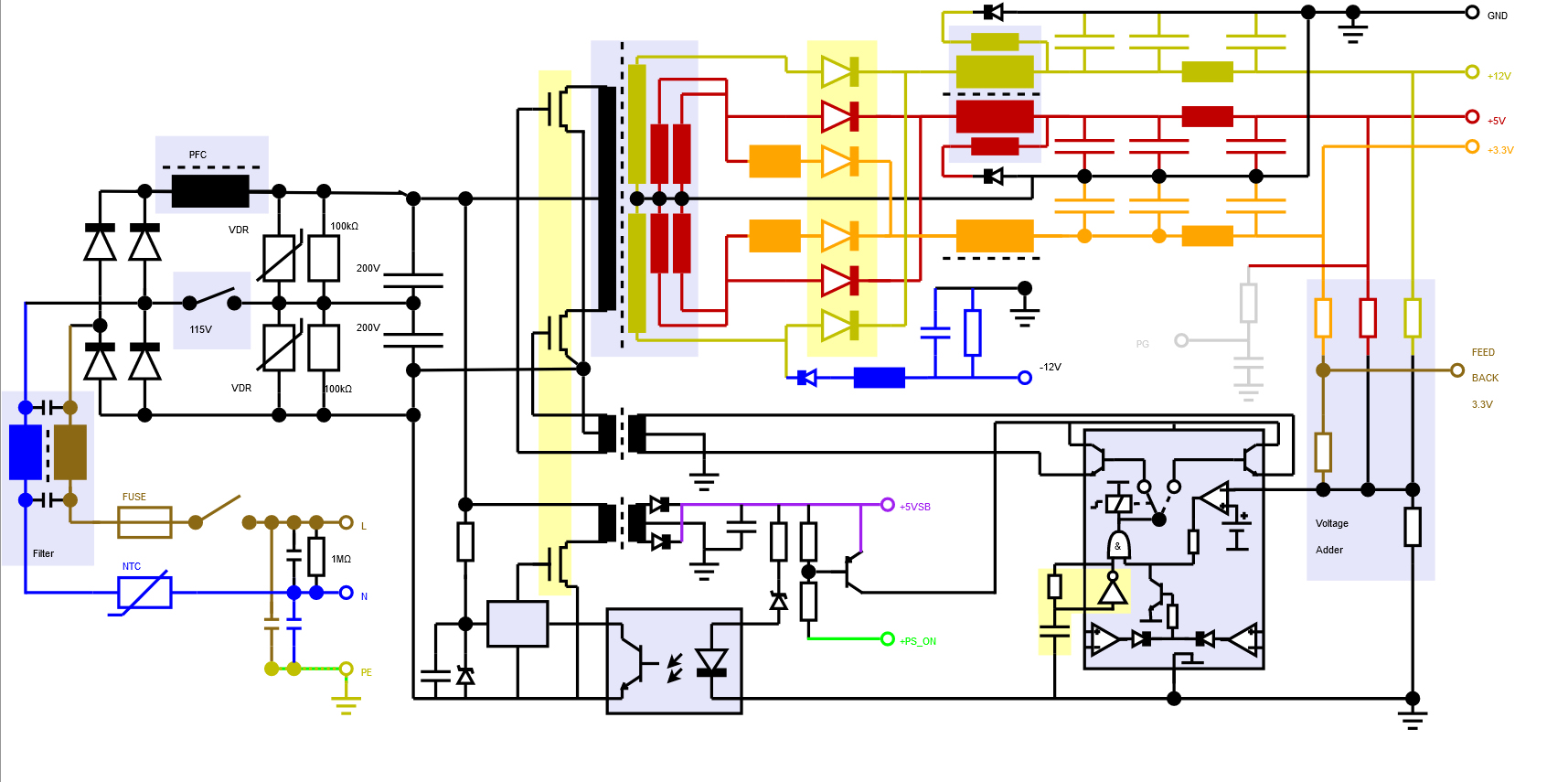
Schaltnetzteil 2.jpg


https://de.wikipedia.org/wiki/PC-Netzteil#/media/Datei:PC-PowerSupply-Principle-Circuit.svg
 
  • Gefällt mir
Reaktionen: rumpel01
Skysurfa schrieb:
Hast du schon mal gesehen was passiert, wenn man nicht Netzsynchron arbeitet? Wenn zwei Spannungen nicht Synchron laufen, dann hat man (so es denn funktionieren würde) nach einer Zeit x den worst case mit einer Phasenverschiebung von 180°. Der Strom, der dann fließt wird nur durch den Innenwiderstand des jeweiligen Netzes begrenzt.
Deswegen liebe ich dieses Forum. Geile Erklärung, danke!
 
Skysurfa schrieb:
Wenn der Wechselrichter der Solaranlage nicht sehr hochwertig ist, dann kommt da kein sauberer Sinus raus. Das hat zur Folge, dass jede menge Oberwellen auf die Netzspannung aufmoduliert werden. Kommt dann noch dazu, dass das Netzteil nicht sehr hochwertig ist, besteht die Möglichkeit, dass die Spannungen höher oder niedriger sind als von der HArdware verarbeitbar.

Um das zu messen müsste der Elektriker ein Netzanalyse-Messgerät haben. Die sind relativ teuer und somit hat das kaum jemand.
Sehe ich auch so, daran wird es vermutlich liegen und ich kenne noch die Preise von zertifizierten VDE-Messgeräten, geht schnell in die Tausende, die hat echt nicht jeder Betrieb.
 
Probiere spasseshalber mal eine Steckdose aus einem anderen Zimmer /Stromkreis. Vielleicht ist es nur die Kombi Leitung/Sicherung/ PB-Anlage. Die Fujitsunetzteile machen normalerweise keinerlei Probleme, wir haben dutzende davon und immer wieder Spannungsschwankungen..
 
Lian Li Combo AIO
Zurück
Oben