• ComputerBase erhält eine Provision für Käufe über eBay-Links.

Kann Windows nicht updaten - Bluescreen

Schildkröte09 schrieb:
Vielleicht besteht die Möglichkeit, das Board an MSI einzuschicken. Immer noch besser und günstiger als ein neues oder gebrauchtes Board bei diesen hohen Preisen momentan.

Oder schau dich mal um hier im CB Forum Marktplatz unter Biete Hardware. Vielleicht gibt es günstige Angebote für dich.

Hier schnelles Handeln für ca. 160,- € >>>

Ich habe keine 160€, ich habe nicht mal 50€. Ich bin schwer krank und kann nicht arbeiten, lebe vom Staat. Aber danke für den Hinweis.

Außerdem habe ich keinen Zugang zum Marktplatz: Dieses Forum gehört zum Marktplatz, wo Mitglieder der ComputerBase-Community untereinander handeln können. Zugang erhält man automatisch, sobald man einige Monate lang dabei ist und einige Beiträge geschrieben hat. Infos zum Marktplatz-Zugang.

Bin noch keine 90 Tage dabei.

Und ich kann das Board nicht einschicken, weil ich mir nicht zutraue es heile auszubauen und vor allem nicht heile wieder zusammen zu bauen. Und ich mache nicht noch mal nach diesem Bios Debakel den Fehler nicht auf meine Intuition zu hören und etwas zu tun, was ich mir nicht zutraue.
 
Guten Morgen, um mal den Stress ein bissel raus nehmen zu wollen.
Hat Dein Mainboard die / den Bios Chip wechselbar? Wen ja dann besteht Hoffnung.
https://www.biosflash.com/index.htm
Da sich in Verbindung setzen mit dem GENAUEN Mainboard Type.

Die schicken dir dann einen neuen Bios Chip zu, sofern bei deinem Mainboard der wechselbar ist.
Und das weit untern den kosten eines neues Mainboard.


Schaue bitte Nach (Mach ein Foto) von dem Bereich des Bios Schalters, dann können wir schon sehen
ob der / die Bios Chip wechsel bar sind,, die Bios Chips sind immer in der nähe des Schalter.

Ein Foto ist zwingend von Deinem Mainboard von Nöten, ohne verwackeln bitte.

Weil wenn der Chip wechselbar ist biste mit wenige Geld dabei.
 
Zuletzt bearbeitet:
Ich weiß nicht genau, ob sich der BIOS Chip austauschen läßt, jedoch gibt es einen bei Ebay zu kaufen ...
für dein Board X79A-GD45 (8D) siehe hier >>>
für 19,95 $ bzw. 17,99 € mit der letzten BIOS Version 12.8

Das einer angeboten wird läßt jedenfalls hoffen.

Solltest du das stromlose Board (Netzstecker ganz ausstecken) anfassen, bitte vorher erden ... (z.B. den Heizkörper anfassen) ...
 
Zuletzt bearbeitet:
Ich hoffe man kann hier was erkennen, falls nicht mache ich noch ein Bild, bis ich eins habe, wo man es sehen kann (ich habe keine Ahnung, wie ein Bios Chip aussieht). 😅 Das wäre natürlich genial weil 20€ würde ich hin bekommen. 😄 👍

DSC_0055.JPG

DSC_0061.JPG

DSC_0059.JPG

DSC_0060.JPG
 
Zuletzt bearbeitet von einem Moderator:
Leute der TE hat selbst Angst ein Board oder CPU auszubauen.

Ich habe schon einen Link gebracht von MSI Spezialisten die für 25 € das Bios wechseln oder neu flashen wenn man das Board hinsendet.
Seite 7 Post 140
https://msi-shop.de/bios-update/
Nur den Chip einsenden wäre denen bestimmt auch lieber.
Aber was nützt ein neuer Chip wenn man den Einbau nicht hinbekommt und den Chip zerstört.
Das Board hinsenden, anrufen usw. sollte man aber hinbekommen.
Es gibt ja auch noch Familie, Freunde, Bekannte und Betreuer.
 
Zuletzt bearbeitet:
@Terrier hat recht, ich traue mich nicht mein Mainboard oder CPU auszubauen und vor allem habe ich ganz große Angst, dass ich selbst wenn ich es schaffe das ganze heile auseinander zu bauen, irgendeinen kleinen Fehler mache beim zusammen bauen und dann ist meine ganze Hardware hin, weil zum Beispiel ein Kurzschluss ensteht und alles durchschmort. Und ich habe nicht mal das Geld um das Mainboard zu ersetzen, wäre also keine gute Idee jetzt auf Risiko versuchen den PC heile auseinander und vor allem danach auch heile wieder zusammen zu bekommen.

Ich habe jetzt schon ein riesen Problem weil das Bios tot ist und aus irgendeinem Grund auch das Backup Bios tot ist oder zumindest nicht funktioniert, wie gedacht. Und das nur weil ich mich an etwas ran gewagt habe, was ich eigentlich nicht wollte, genau so wenig wie ich jetzt mein Meinboard nicht versuchen will auszubauen, weil das geht nachher genau so schief, wie das Bios Update.
 
Möglich dass einige Systemdateien Fehler haben.
Erste Option:
Rechtsklick auf Start -> Windows Powershell (Administrator)
Dort folgendes eingeben und mit enter bestätigen:
sfc /scannow

Überprüft die Systemdateien und versucht diese zu reparieren.
Sollte das nicht alles reparieren, müsste man mit DISM arbeiten.
 
Danke für die gut gemeinte Hilfe @mykoma aber das hat sich mittlerweile erledigt, hatten das alles gemeinsam hin bekommen und dann meinte irgendjemand man müsse so ein Bios Update unbedingt noch machen und der Versuch des Bios Updates ist fehlgeschlagen, das zweite Bios hat von vornherein nicht funktioniert und ich habe jetzt keinen Gamer PC mehr. Zumindest keinen mit dem noch irgendwas funktioniert, ins Windows komme ich nicht mehr, ich komme nicht mal ins Bios oder auch nur in den Bootmanager, wo man die Bootreihenfolge einstellen könnte. Ich bekomme nicht mal mehr ein Bild.
 
Es muss natürlich bei dir jemand her, der sich traut, einen BIOS CHIP auszutauschen, wenn er denn auszutauschen geht. Auf den bisherigen Bildern kann ich leider nichts erkennen, vielleicht kann das aber Dr. McCoy.
Die Bilder sind zu schlecht in der Qualität und lassen sich nicht zoomen.

Im Internet, gibt es, so wie es aussieht, an fast jeder Ecke einen BIOS Chip für dieses Board zu kaufen. Die Preise schwanken zwischen 13 und 19 €. Dann muss theoretisch der BIOS Chip auch zu tauschen sein.

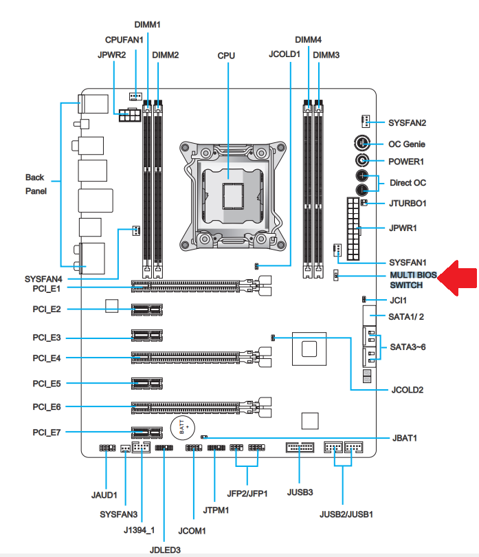
Wo auf den Bildern befindet sich denn der MULTI BIOS SWITCH? Kannst du auf einem Bild etwas erkennbares auflegen? z.B. einen Pfeil auf kleinem Pappkarton ...

Viele Grüße

[EDIT] Auf deinen Bildern hat der PC doch keine Stromlose Verbindung, da ist Strom drauf. Bitte den PC nur stromlos öffnen .... ohne Stecker in der Steckdose.
 
Zuletzt bearbeitet:
Hier mal der aktuelle Zustand meines PCs ind Bild und Ton. Eventuell müsst ihr die Lautstärke aufdrehen, um die Peeps hören zu können.

Das passiert, wenn ich versuche mit Bios A zu starten:

Und das passiert, wenn ich versuche mit Bios B zu starten:
Ergänzung ()

Schildkröte09 schrieb:
Es muss natürlich bei dir jemand her, der sich traut, einen BIOS CHIP auszutauschen, wenn er denn auszutauschen geht. Auf den bisherigen Bildern kann ich leider nichts erkennen, vielleicht kann das aber Dr. McCoy.
Die Bilder sind zu schlecht in der Qualität und lassen sich nicht zoomen.

Im Internet, gibt es, so wie es aussieht, an fast jeder Ecke einen BIOS Chip für dieses Board zu kaufen. Die Preise schwanken zwischen 13 und 19 €. Dann muss theoretisch der BIOS Chip auch zu tauschen sein.

Wo auf den Bildern befindet sich denn der MULTI BIOS SWITCH? Kannst du auf einem Bild etwas erkennbares auflegen? z.B. einen Pfeil auf kleinem Pappkarton ...

Viele Grüße

Der Switch ist über der Grafikkarte ganz rechts, da hängt auch so kleines Kabel drüber. Und du kannst zoomen, da ist wenn du das Bild hier auf CB öffnest oben rechts so ein + Zeichen in einer Lupe. Und ja die Bilder sind irgendwie nicht so scharf aber ich habe nur mein Handy zum fotografieren. Das ist schon das bestmögliche was ich anbieten kann. Oder vielleicht erkennst du ja in dem Video was.

Aber eigentlich, wenn es echt Voraussetzung ist, dass ich jemanden zum Helfen habe, dann kann ich es gleich lassen, es gibt nicht mal die CB Helfer in meiner Nähe und so habe ich auch niemanden, der mir helfen könnte. Wenn ich nämlich jemanden zum helfen hätte, dann würde ich mir das hier nicht antun, denn es ist Stress pur und es geht alles schief aber ich muss es halt selbst machen, wenn ich es gemacht haben will oder jemanden bezahlen mit Geld, welches ich nicht habe.
 
Zuletzt bearbeitet von einem Moderator:
Deine Familie, dein Bruder, was ist damit?
 
Meine Familie inkl. Bruder haben keine Ahnung von PCs, nicht mal die geringste. 😢
 
Ich poste jetzt mal ein Bild, wie der BIOS CHIP ungefähr aussieht. Schau du mal nach auf den Chips auf dem Board wo draufsteht irgendwas von BIOS. Und den fotografiere mal bitte.

Rechts ist der Sockel, der mit dem Mainboard verlötet ist, links der Chip den man dann einfach reinsteckt.


BIOSCHIP.jpg

Ergänzung ()

@John Sinclair, ist für dich auf diesem Bild irgend etwas vom BIOSSHIP zu erkennen?

MSIBOARD2.png
 
Zuletzt bearbeitet:
Also ich selbst finde ihn auch nicht aber ich befürchte das evtl. der Kühler von der CPU oder eine Steckkarte irgendwie davor hängt. Wenn ich nur wüsste, wo der denn rein theoretisch sitzen sollte. Ich habe auch mal in die Anleitung geguckt, da gabs ja so eine Übersicht wo der Bios Switch auch sichtbar war (das Bild was du mir auch gepostet hattest @Schildkröte09) aber selbst da steht nicht, wo jetzt das Bios sitzt.
Ergänzung ()

Schildkröte09 schrieb:
Siehe : MULTI BIOS SWITCH auf der rechten Seite.Anhang anzeigen 835830

Das Bild meine ich. Dadurch konnte ich nämlich den Schalter überhaupt ausfindig machen, danke noch mal!
Ergänzung ()

Okay, das Ding ist komplett hinüber, da es hier ja jetzt gar nicht mehr darum geht, dass Bios noch versuchen zu retten, sondern eher um Ersatz, habe ich jetzt den vorbereiteten Stick in den USB Port hinten gesteckt und die beiden Festplatten abgesteckt und der greift gar nicht auf den USB Stick zu, das Ding ist so rott, da geht gar nichts mehr mit dem Bios B. Und das war nicht mal das Bios auf dem ich ein Bios Update versucht hatte. Damit hab ich rein gar nichts gemacht.
Ergänzung ()

Okay, was habe ich eigentlich erwartet, auch Bios B gibt ja gar kein Bild, wieso sollte also noch das booten von irgendwas funktionieren. Oder ich habe irgendwas beim Erstellen des Sticks falsch gemacht, Fakt ist hier komme ich wohl nicht mehr alleine weiter, muss wohl jetzt doch jemanden dafür bezahlen, dass er das richtet und hoffen, dass er das überhaupt richtbar noch ist.

Sonst habe ich echt meinen Gamer PC dadurch geschrottet, dass ich einen falschen USB Port zum flashen verwendet habe und das Pech habe, dass das sekundäre Bios auch nicht funktioniert. Das wäre schon mega Fail.
 
Zuletzt bearbeitet von einem Moderator:
Schau dir deinen USB Stick mal in der Datenträgerverwaltung an.
Müßte dann so aussehen, wie in meinem Bild zu sehen ist:

usbstick.png


Gekennzeichnet als FAT32, AKTIV und Primäre Partition ...
Wenn das AKTIV fehlt, ist der Stick nicht bootbar.

Aber das Bootmenü müßte sich unabhängig vom Stick beim PC Start auf F11 öffnen ...

Mit dem "alten" BIOS von 2012 auf diesem Board wären Bluescreens unter Windows 10 vorprogrammiert gewesen. Ob es durch das von 2014 besser geworden wäre, können wir jetzt nicht beantworten. Schließlich lagen 3 weitere BIOS Versionen zwischen dem alten und letzten BIOS.
Das Board ist auf jeden Fall kompatibel bis Windows 7.

Und der Flash hätte auch sicherlich über das BIOS funktioniert.
Das das BIOS B auch nicht funktonierte, liegt sicherlich an niemanden. Aber die Vermutung, das es sich auf diesem um ein noch älteres BIOS handelt, als von 2012, liegt nahe. Schließlich hat der POST ja schon beim ersten Einschalten des PC´s ein verschwommenes Bild geliefert.


Viele Grüße

PS. Ich glaube ich habe noch ein "altes" AMD Mainboard bei mir im Keller. Original verpackt und nicht benutzt.
Dieses ist mit AMD Sockel AM3+, ASUS Sabertooth 990FX. Wenn du Interesse hast? Geschenkt.

Diese Prozessoren lassen sich darauf einsetzen >>>
Es könnte sein, das ich auch noch den FX8350 aufgehoben habe, der auf einem AsRock Board eingesetzt war.
 
Zuletzt bearbeitet:
  • Gefällt mir
Reaktionen: Aya_loves_Games
@Schildkröte09 Die 2 Bios Chips sind Rechts unten wo das Blaue MSI Schild ist, die 2 Chips dind aber gelötet (SMD Baustein) ist also nix mit austauschen.
 
  • Gefällt mir
Reaktionen: Schildkröte09
Schildkröte09 schrieb:
Schau dir deinen USB Stick mal in der Datenträgerverwaltung an.
Müßte dann so aussehen, wie in meinem Bild zu sehen ist:

Anhang anzeigen 836284

Gekennzeichnet als FAT32, AKTIV und Primäre Partition ...
Wenn das AKTIV fehlt, ist der Stick nicht bootbar.

Aber das Bootmenü müßte sich unabhängig vom Stick beim PC Start auf F11 öffnen ...

Mit dem "alten" BIOS von 2012 auf diesem Board wären Bluescreens unter Windows 10 vorprogrammiert gewesen. Ob es durch das von 2014 besser geworden wäre, können wir jetzt nicht beantworten. Schließlich lagen 3 weitere BIOS Versionen zwischen dem alten und letzten BIOS.
Das Board ist auf jeden Fall kompatibel bis Windows 7.

Und der Flash hätte auch sicherlich über das BIOS funktioniert.
Das das BIOS B auch nicht funktonierte, liegt sicherlich an niemanden. Aber die Vermutung, das es sich auf diesem um ein noch älteres BIOS handelt, als von 2012, liegt nahe. Schließlich hat der POST ja schon beim ersten Einschalten des PC´s ein verschwommenes Bild geliefert.


Viele Grüße

PS. Ich glaube ich habe noch ein "altes" AMD Mainboard bei mir im Keller. Original verpackt und nicht benutzt.
Dieses ist mit AMD Sockel AM3+, ASUS Sabertooth 990FX. Wenn du Interesse hast? Geschenkt.

Diese Prozessoren lassen sich darauf einsetzen >>>
Es könnte sein, das ich auch noch den FX8350 aufgehoben habe, der auf einem AsRock Board eingesetzt war.

Ja, das war alles so eingestellt und ich habe weiß nicht wie oft schon geschrieben, dass ich mit F11 nichts machen kann, ich kanns drücken aber es passiert nichts. Ich habe nicht mal ein Bild. F11 und DEL machen nichts.

Ich hatte auch keine Probleme mit Bluescreens außer beim Update. Ansonsten nie, die ganzen 2 Monate wo ich den PC nutzen konnte.

Und der Flash hätte übers Bios funktioniert, wenn es auf der offiziellen Seite auch tatsächlich das Bios File zum downloaden gäbe, was der M-Flash nämlich nutzen möchte. Stattdessen ist dort nur eine exe, die er nicht über das Bios nehmen wollte. Denn so hatte ich es als erstes probiert.

Das Angebot ist sehr lieb, ich habe jetzt den PC zum PC Profi gebracht, da es dort maximal 59€ kosten soll das Bios neu zu flashen, falls sie es denn hinbekommen. Falls sie es nicht hinbekommen, brauche ich wohl ein neues Board und würde gerne auf dein Angebot zurück kommen, falls nötig. 🤗 Vielen Dank für dein Angebot, das ist sehr lieb! :daumen:

HerrAbisZ schrieb:
Wurden alle Laufwerke vom Board abgehängt für den BIOS Update Rettungsversuch?

https://www.computerbase.de/forum/t...sammenbau-jetzt-auch-in-deiner-naehe.1249024/

Ja, war alles abgehängt Strom und Datenkabel. Und der PC ist jetzt das Problem eines PC Profis, also hoffe die bekommen es hin. 😅
 
  • Gefällt mir
Reaktionen: Schildkröte09 und Terrier
Das angebotene Board liegt hier für dich bereit. Leider doch ohne Prozessor. Der AMD Athlon-FX Prozessor ist aber u.a. schon für 20-30 € zu haben. Den DDR 3 Speicher wirst du im AMD Board denke ich auch weiter verwenden können.

Viele Grüße
 
  • Gefällt mir
Reaktionen: Aya_loves_Games
verstehe ich das richtig?
200 posts, und das ergebnis ist ein brick?

sehr effizient ist das so nicht. garnicht. um die mann/frau/divers- stunden kriegt man einen highend pc, locker.
unter umständen ist es einfach g´scheiter, das macht jemand, der sich hinreichend auskennt.
wäre von anfang an die bessere lösung gewesen.

dies zeigt leider die grenzen eines forums sehr deutlich an.
 
Zurück
Oben