m2 ssd gen4

Palit2018

Cadet 4th Year
Registriert
Jan. 2019
Beiträge
92
hallo
Mainboard gigabyte z590 vision g
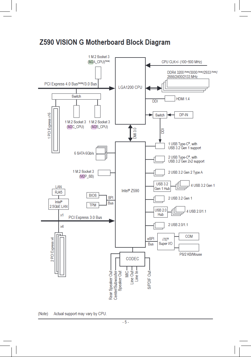
cpu i7 11700k 20lanes

meine frage ist, wenn ich eine 4.0 m2ssd einbaue und 2 mal 3.0 m2 ssds einbaue, ob die ssd mit 4.0 mit vollgeschwindigkeit arbeitet?
 
wenn genügend pcie4.0 lanes verfügbar sind tut sie das. Schau doch mal ins Handbuch deines Mainboards :)

Die Frage ist eher: Was hast du vor o.O Die einzigen Anwendungsfälle die mir einfallen, in denen so eine SSD bestückung halbwegs sinnvoll klingt , ist wenn du täglich so um die 500Gb RAW Bilder oder ein paar TB 4K Filme bearbeiten musst.
Weder Spiele noch Windows werden durch NVMe SSDs schnelelr - wenn du den rechener also ohnehin nur als SPielerechner nutzt ist es komplett egal ob sie die volle Leistung erreicchen, da es für dich effektiv keinen Unterschied macht
 
Palit2018 schrieb:
ob die ssd mit 4.0 mit vollgeschwindigkeit arbeitet?

Z590 VISION G User's Manual

1625490890675.png 1625490630463.png

Kurz: Ja - M2A ist direkt an die CPU angebunden.
 
Zuletzt bearbeitet: (Ergänzung)
@Hauro was bringen uns die Infos über die SATA stecker die noch übrig bleiben wenns um den NVME Speed geht ?

@Palit2018 die CPU bietet 20 Lanes ... 16 für die Grafikkarte und je 4 dann für die 3 NVME Slots die sie selbst anspricht.

würde aber bedeuten das die Grafikkarten in x8 zurückfällt ...

Aber genau kann dir das wohl nur der Hersteller sagen ... Laut Chipsatz Diagramm sitzt bei 2 der Slots mit der Grafikkarte auf einem Switch .... aber die hätten ja nur 16 Lanes da der erste Connector ja schon voll an der CPU angebunden ist und somit 4 Lanes der 20 wegnimmt.

Storage Interface
CPU:
1 x M.2 connector (Socket 3, M key, type 2260/2280/22110 PCIe 4.0 x4/x2 SSD support)
2 x M.2 connectors (Socket 3, M key, type 2260/2280/22110 PCIe 4.0 x4/x2 SSD support)
Chipset:
1 x M.2 connector (Socket 3, M key, type 2260/2280/22110 SATA and PCIe 3.0 x4/x2 SSD support)

aber die Frage ist brauchst du jeden Tag soooo viel Schreib und Leseleistung ?
Dies kann eigentlich bezweifelt werden... eine normale SATA SSD ist noch komplett ausreichend ausser man verarbeitet jeden Tag massiv Daten und nein Spielen ist das nicht.
 
  • Gefällt mir
Reaktionen: acidarchangel und Aduasen
xxMuahdibxx schrieb:
Laut Chipsatz Diagramm sitzt bei 2 der Slots mit der Grafikkarte auf einem Switch .... aber die hätten ja nur 16 Lanes
Wenn man sich die Details zum x16 Slot anschaut steht dort was passiert: sobald eine oder zwei SSDs in diesen Slots stecken wird die GPU auf x8 gestellt (dafür der Switch). Man hat dann also eine 8/4/4 Aufteilung.
 
  • Gefällt mir
Reaktionen: fremder1970, xxMuahdibxx und Busterk
@Jesterfox jo da stehts

PCI Express x16 slot, running at x16 (PCIEX16)

For optimum performance, if only one PCI Express graphics card is to be installed, be sure to install it in the PCIEX16 slot.

The PCIEX16 slot shares bandwidth with the M2B_CPU and M2C_CPU connectors. The PCIEX16 slot operates at up to x8 mode when a device is installed in the M2B_CPU or M2C_CPU connector.
 
Sapphire Forum
Zurück
Oben