PC startet nicht und zeigt keine Reaktion nach Umbau in einem neuen Gehäuse!

Hast du schon mal versucht, den Rechner ohne F_Panel Stecker zu starten? Benutze dafür einen Metallischen Gegenstand, einfach die beiden Kurzschließen

1712517009585.png


Cu
redjack
 
Hast du auch das NT also den 24PIN Stecker, der besteht aus ZWEI Teilen korrekt am NT angeschlossen? MAch mal bitte ein Bild.
 

Anhänge

  • Screenshot 2024-03-20 013145.jpg
    Screenshot 2024-03-20 013145.jpg
    62,6 KB · Aufrufe: 139
  • Gefällt mir
Reaktionen: djducky
Nö, was soll da passieren?
Der Taster am Gehäuse macht ja nichts anders
 
  • Gefällt mir
Reaktionen: wesch2000
Ja da es nur ein 3 Pin ist ich aber einen 4pin Lüfter anschließen könnte
Ergänzung ()

Kann der pc überhaupt ohne gpu starten? Normalerweise schon oder?
 
Zuletzt bearbeitet:
  • Gefällt mir
Reaktionen: JumpingCat
Die CPU hat eine iGPU, also ja.
 
redjack1000 schrieb:
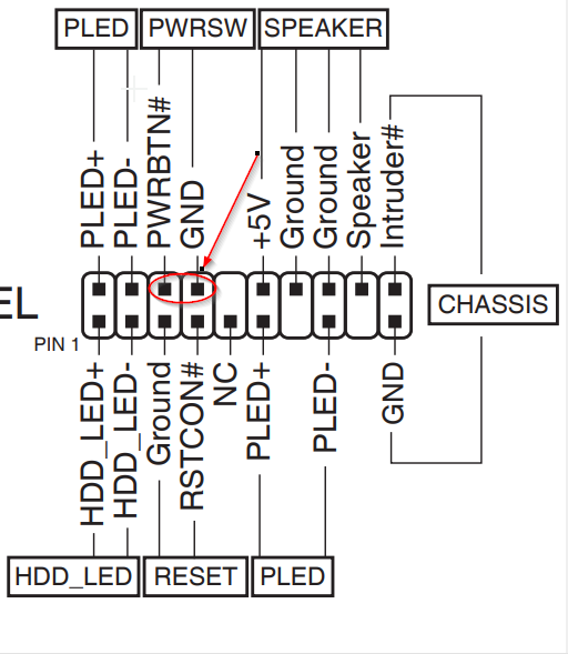
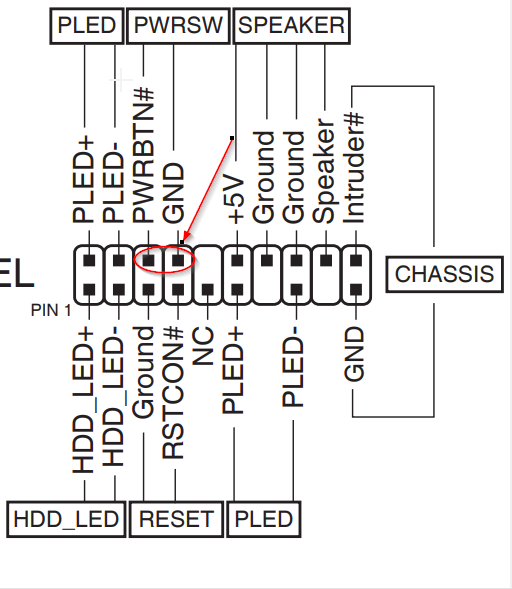
Bei mir ist die Reihenfolge genauso, nur, dass sie bei NC endet. Die anderen Pins, rechts davon sind bei mir extra. Das heißt aber, dass es im Großen und Ganzen einer Norm entspricht und funktionieren sollte. Denn, die Pins die ich da nicht habe, sind für das Funktionieren unerheblich. Sorry, dass ich dich zitiert habe, so wars aber am einfachsten. AMD Platform.
 
Zeigen denn deine Diagnose-LEDs rechts oben irgendwas an?
 
es ist sofort da, sobald ich das Stromkabel in das Netzteil stecke
Ergänzung ()

@Firefly2023 hier, die neuen Gehäuse haben anscheinend keine breakout Kabel mehr..
 

Anhänge

  • IMG_5767.png
    IMG_5767.png
    538,7 KB · Aufrufe: 159
Ist schon echt schwierig zwei Pins kurz zu schließen, naja so wie es ausschaut möchtest du keine Fehler suchen.

Ich denke der F_Panel Anschluss, ist wie schon in #11 erwähnt, nicht das Problem ist. Ich halte mich mal zurück, bis der TE mit der Fehlersuche anfängt.

CU
redjack
 
Ok, zweiter Test. Stromstecker abziehen, F-Panel abstecken und dann den Stromstecker wieder einstecken. Wenn es dann nicht passiert, solltest du dich wirklich mit dem Support in Verbindung setzen.
 
habe jetzt gesehen das vom F_Panel nur 4 von 9 pins „Strom“ haben, es sind auch nur 4 kleine Kabel die zum f_Panel Stecker führen
 
Sapphire Forum
Zurück
Oben