Kann Windows nicht updaten - Bluescreen

Das hier sieht vielversprechend aus aber ich habe keine Ahnung wo ich denn das MSI X79A-GD45 her bekomme?

Screenshot_20191029-012744.png

Schildkröte09 schrieb:
Hier habe ich etwas gefunden mit einem ähnlichen Board wie deines ...
wenn du auch ein Multi BIOS hast.

OK der hat es ja irgendwie hin bekommen aber nicht genau gesagt wie, immer nur ja habs hinbekommen, habs geflasht. Und der hat ein Doppel BIOS, was man irgendwie umschalten kann, habe ich vielleicht ganz viel Glück und habe sowas auch?

Dr. McCoy schrieb:
1,) Man kann noch versuchen, ein Clear CMOS über den Jumper direkt auf dem Board umzusetzen (aber nur bei ausgeschaltetem, stromlosem PC!).

2.) Dieses UEFI ist ein Dual-BIOS. Es gibt also weiterhin die Möglichkeit, BIOS B aufzurufen. Das wäre aus meiner Sicht der nächste logische Schritt,

Zum Vorgang: Ich vermute, der USB-Stick wurde zu früh abgezogen. Es handelt sich heribei nämlich um ein "gesplittetes" Update des UEFI, das dauert länger, und es braucht mehrere Schritte.

Okay du meinst ich habe echt ein zweites BIOS? Wie schalte ich das um? Und den Stick habe ich abgezogen weil er nach Neustart mir kein Bild gezeigt hat und gar nichts was irgendwie auf Fortschritt hinweist. Ich habe 10 oder 20 Minuten gewartet ob sich vielleicht was tut.

Und wenn ich tatsächlich ein BIOS B habe, dann würde ich trotzdem BIOS A reparieren wollen. Irgendwie hat der Typ in dem Thread es ja auch hinbekommen auch wenn ich aus dem Thread nicht ersehen kann was genau er gemacht hat.
 
Siehe : MULTI BIOS SWITCH auf der rechten Seite.
msibios.png
 
  • Gefällt mir
Reaktionen: Aya_loves_Games und Dr. McCoy
ich habe in der zeit gegoogelt und nicht gefunden über Dual Boot
Dafür aber das hier.
https://de.msi.com/Motherboard/X79A-GD45-8D/Overview
M-Flash BIOS-Flash per USB-Stick

Im Vergleich zu herkömmlichen Motherboards mit zwei BIOS-Chips, zeichnet sich die M-Flash-Lösung durch zwei wichtige Vorteile aus. Neben der Vermeidung eines zusätzlichen Bausteins können die Daten auf einem mobilen Speicherstick gespeichert werden. M-Flash ermöglicht nicht nur das BIOS per Speicherstick zu aktualisieren oder zu sichern, sondern fungiert zusätzlich als mobiler BIOS-Chip, der flexibel eingesetzt werden kann.


Eigenschaften:
  • Backup/Wiederherstellung des BIOS über einen beliebigen USB-Speicherstick
  • Sicheres Aktualisieren des BIOS über USB
- Einfache Handhabung und mobile verfügbarkeit des BIOS-Backups
gut das ich das alles nicht mehr lernen muss.
 
@Terrier, das Bild oben in #143 ist aus seinem Boardbuch und hier brauch man nur den Schalter umzulegen, um das BIOS B aktiv zu machen ... alles andere ist noch komplizierter.

Terrier schrieb:
ich habe in der zeit gegoogelt und nicht gefunden über Dual Boot
Das heißt übrigens MULTI BIOS und nicht DUAL BOOT. @Dr. McCoy hat es verlinkt.
 
Zuletzt bearbeitet:
Aya_loves_Games schrieb:
Okay du meinst ich habe echt ein zweites BIOS? Wie schalte ich das um?
Über den Schalter auf dem Board, den @Schildkröte09 und ich beschrieben haben.

Bitte den PC stromlos machen, wie vorhin beschrieben!, nochmal CMOS-Reset. Weiterhin stromlos belassen. Dann den Schalter auf dem Board auf das zweite BIOS umlegen. PC wieder an den Strom bringen, einschalten, gleich mit "ENTF/DEL" ins UEFI gehen.
 
  • Gefällt mir
Reaktionen: Schildkröte09
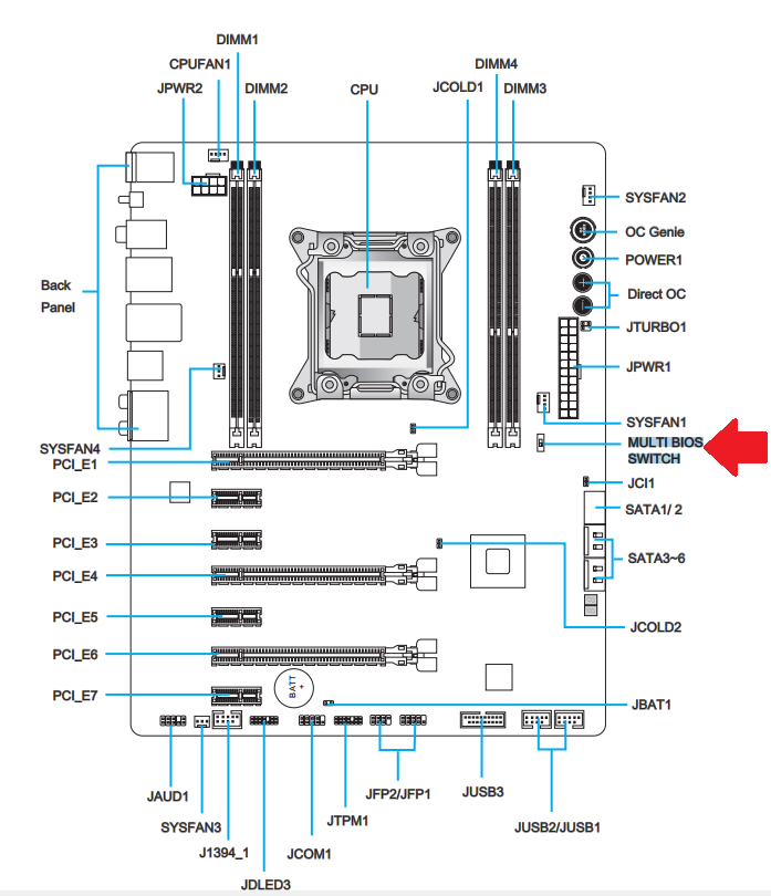
Schildkröte09 schrieb:
Siehe : MULTI BIOS SWITCH auf der rechten Seite.Anhang anzeigen 835830

Oh mein Gott, du bist ein Engel 😇 ich habe das echt gerade nicht gefunden und schon gedacht ich hätte doch keins.

Und ich wollte ja von Anfang an nicht flashen. 😅

Das einzige was ich jetzt wollen würde ist das A BIOS wieder zu reparieren.

Oh Gott sei Dank, das funktioniert tatsächlich mit Bios B. Oder zumindest geht er nicht sofort wieder aus. Er fährt aber auch nicht hoch und piept nur hin und wieder. Was ist jetzt schon wieder? Alle paar Sekunden macht er piep aber fährt nicht hoch. Ok keine Ahnung was das jetzt ist, siehe Bild:
DSC_0052.JPG
 
Bitte nochmal ein besseres Bild einstellen!

Das einzige, was ich erkennen kann, ist unten etwas mit F1 zum Setup. Edit: Allerdings sagt das Handbuch:
Press DEL key to enter Setup Menu, F11 to enter Boot Menu
If the message disappears before you respond and you still need to enter CLICK BIOS
II, restart the system by turning the computer OFF then back ON or pressing the RESET
button. You may also restart the system by simultaneously pressing <Ctrl>, <Alt>, and
<Delete> keys.
 
Du musst erst wieder ins BIOS und die Einstellungen anpassen...
Taste F1 drücken um ins BIOS zu gelangen.
 
So sieht es aus wenn ich auf Bios B starte und f1 reagiert er da nicht. Oder muss ich das halten beim Start? Jetzt piept er wieder und kommt wahrscheinlich wieder zum eben geposteten Bildschirm, wo man kaum was lesen kann (auch in echt nicht, nicht nur auf dem Bild nicht).

DSC_0053.JPG
 
Dann schau mal was @Dr. McCoy in # 149 noch geschrieben hat.
Press DEL key to enter Setup Menu, F11 to enter Boot Menu
If the message disappears before you respond and you still need to enter CLICK BIOS
II, restart the system by turning the computer OFF then back ON or pressing the RESET
button. You may also restart the system by simultaneously pressing <Ctrl>, <Alt>, and
<Delete> keys.
 
Also, so wie ich das hier lese ist das ganze doch etwas schwieriger
https://forum-de.msi.com/index.php?topic=103701.0
USB Stick mit Bios usw.
Punkt 4
Punkt 5
usw.
5. gehe unter Utilities > M-Flash > Update Bios > Select one File to update BIOS and ME > Your Flash Drive > BIOS File und starte den Reflash
bis:
Wichtige Anmerkung:
Mit Select one File to update BIOS and ME wird das BIOS und die ME-Firmware geflasht.
Das BIOS flashen endet bei 50%. Der Rechner bootet danach von alleine neu und flasht danach automatisch die ME-Firmware.
Also Geduld!
 
Zuletzt bearbeitet:
1. prepariere einen in FAT32 formatierten Stick mit dem funktionierenden BIOS von der Produktseite und stecke ihn an einen der USB2.0-Ports auf der Rückseite des Boards. (Frontpanel und HUBs können durch abweichende Kontaktbelegung Fehler erzeugen)

2. starte das System mit dem funktionierenden BIOS (Schalter auf die jeweilige Position bringen A oder B)

3. gehe mit der Taste Entf/Del ins BIOS

4. nach dem erfolgreichen Start ins BIOS, wechsle den BIOS-Schalter auf das korrupte BIOS.


5. gehe unter Utilities > M-Flash > Update Bios > Select one File to update BIOS and ME > Your Flash Drive > BIOS File und starte den Reflash
 
  • Gefällt mir
Reaktionen: Terrier
Das zweite scheint auch nicht wirklich zu funktionieren. Der PC läuft zwar aber Bildschirm bleibt jetzt im Standby. Und er piepst immer mal wieder. Ich habe keine Ahnung was das jetzt bedeutet. Habe ich Bios B jetzt auch kaputt gemacht einfach nur weil ich den PC neu gestartet habe?
 
Nein, du musst die Taste DEL/ENTF drücken um ins BIOS zu kommen.
 
  • Gefällt mir
Reaktionen: Dr. McCoy
Ach und wie gesagt hatte ich das alte BIOS bevor ich versucht habe zu Flaschen gesichert. Das ist im übrigen der Inhalt des USB Sticks mit dem ich versucht habe zu flashen:
DSC_0054.JPG

Ergänzung ()

Schildkröte09 schrieb:
Nein, du musst die Taste DEL/ENTF drücken um ins BIOS zu kommen.

Ja das funktioniert nicht, der macht gar nichts oder Ich drücke zum falschen Zeitpunkt oder was weiß ich.
 
Genau, aber dazu muss sie erstmal das noch intakte UEFI vollständig aufgerufen bekommen.
ist doch der Stick oder nicht ?
1. prepariere einen in FAT32 formatierten Stick mit dem funktionierenden BIOS....
2. starte das System mit dem funktionierenden BIOS....
 
Zurück
Oben