News 3D V-Cache Technology: AMD stapelt L3-Cache bei Ryzen auf 192 MByte

Wird zwar seinen Preis haben aber so als letzte AM4 CPU (wenn man sich das am Anfang mit AM5, DDR5 tralala noch ersparen will) gar nicht mal so Schlecht.
 
  • Gefällt mir
Reaktionen: Ned Flanders und Recharging
mae schrieb:
oder schon auf dem CCD.

Guckst du hier.

https://pics.computerbase.de/9/5/3/2/0-6523fcc285bd53f9/16-1080.fb7ce624.png

Der L3 wird jetzt gestapelt und in dem schon vorhandenem L3 ist alles vorhanden, was man für zusätzlichen (gestapelten) Cache braucht.

Nicht mehr, nicht weniger.

mfg

p.s.

Lustig wird, wenn als nächste Ausbaustufe die Cores gestapelt werden und dann super mit dem gestapelten Cache arbeiten können :D

Wann das kommt, hängt von TSMC ab.
 
alles schön und gut, aber was bringts ohne bezahlbare Grafikkarten? Nvidia und AMD müssten ihre Produktion verzehnfachen, dann koste eine RTX 3080 statt 2.000€ derzeit, vielleicht 1400€, wow
 
  • Gefällt mir
Reaktionen: Strigga
Interessantes Stück Silizium. Freue mich schon auf die ersten Benchmarks in Spielen & Anwendungen, hier auf CB. :daumen:
 
GT200b schrieb:
Nvidia und AMD müssten ihre Produktion verzehnfachen

Auch wenn es OT ist, kann man ja mal darüber reden.

Realistischer (auf sehr kleinem Niveau) wäre zu hoffen, dass die Menschen aufhören den unregulierten Krypto Mist zu kaufen. :evillol:

Ein Verbot der Staaten für Pseudowährungen könnte helfen. Das ist aber in demokratischen Gesellschaften schwer umzusetzen. Es wird ja niemand betrogen und jeder darf Glasperlen für jeden Preis handeln, so viel er will.

mfg
 
  • Gefällt mir
Reaktionen: VictorUSA
Ist schon irgendwie lustig. Nach all den Spekulationen warum denn nun ein B2 Stepping kommt, wie Warhol aussehen könnte und wann AMD doch jetzt bitte endlich HBM Speicher aufs package lötet kommen die out of nowhere mit gestapeltem L3 Cache und lassen wissen, dass Vermeer von Anfang an darauf vorbereitet war.

Selbst die Ansage das man das B2 Stepping aus fertigungstechnischen Gründen einführt ergibt dann vollkommen Sinn.

Schon erstaunlich wie wenig da durchgesickert ist.

Ist dann doch ziemlich wahrscheinlich, dass nicht nur Vermeer darauf vorbereitet ist sondern auch Zen4, RDNA2 etc alle diese Cache Dies aufgeschnallt bekommen werden.

Müsste man mal schauen wie groß die Cache Fläche bei GPUs ist und überlegen wie viele solche Teile da eventuell drauf passen um als fetter "Game Cache" zu dienen.
 
  • Gefällt mir
Reaktionen: DonL_ und Tzk
Naja... las uns den CO² Ausstoß einfach noch mehr in die Höhe treiben, ob es AMD, Intel oder nVidia ist, der Verbrauch wird immer Höher und wir haben nichts besseres zu tun, als den Herstellern dieser Komponenten immer wieder zu unterstützen, indem wir immer das Neuste vom Neusten haben müssen, egal wieviel Strom verbraucht wird, die Hauptsache ist das mein Rechner immer besser ist. Schade das wir nichts daraus lernen...
 
  • Gefällt mir
Reaktionen: Recharging
[wege]mini schrieb:
Lustig wird, wenn als nächste Ausbaustufe die Cores gestapelt werden und dann super mit dem gestapelten Cache arbeiten können

Wenn man anfängt Cores zu stapeln, könnte aber irgendwann die Kühlung ein Problem werden.

Ich erinnere mich dunkel, dass vor Jahren mal über Experimente berichtet wurde, mit in die Chips integrierten Kohlenstoff-Nanoröhrchen oder sowas ähnliches, um die Wärme irgendwie aus 3D-gestapelten Chips abführen zu können.
 
  • Gefällt mir
Reaktionen: [wege]mini
Herdware schrieb:
Wenn man anfängt Cores zu stapeln

Wenn es einfach wäre, würde man es schon machen.

Herdware schrieb:
dass vor Jahren mal über Experimente berichtet wurde

Es ist halt schon seit Jahren eine Idee, die man nicht verworfen hat. Die technische Umsetzung (es muss auch preiswert sein) ist dann jedoch das Problem.

Wir sind alle zusammen aber auf einem guten Weg (auch wenn das Greta immer anders sieht) und Probleme sind dafür da, gelöst zu werden.

Wenn man keine Probleme mehr sieht, hat man meist Scheuklappen.

mfg
 
Ned Flanders schrieb:
Müsste man mal schauen wie groß die Cache Fläche bei GPUs ist und überlegen wie viele solche Teile da eventuell drauf passen um als fetter "Game Cache" zu dienen.
Meinst du, das würde RDNA 2 so viel nützen? Gab's nicht mal so eine Grafik, die ein Scaling gezeigt hatte, dass ein noch größerer Cache kaum die Hitrate erhöhen würde?!

Edit: @SV3N Das sieht aber sehr nach Ryzen 9 5000 aus. ^^ Shreddrippa kommt aber vielleicht auch noch.

https://twitter.com/AMDRyzen/status/1399818032864768008
 
Zuletzt bearbeitet von einem Moderator:
@Ned Flanders
Genau diese Gedanken hatte ich auch. Wie zum Henker hat AMD es geschafft das komplett unterm Radar zu entwickeln, ohne das ein Leaker darüber stolpert? Intel redet ja schon länger über Silicon-on-Silicon, aber außer dieses Design mit 40 Chips mal in die Kamera zu halten kam da nicht viel. Und AMD haut einfach mal einen raus... :daumen:

Sehr interessant fand ich auch die beiden Einschätzungen von GamersNexus zur AMD und Intel Keynote. Intel muss wohl wenig Substanzielles geliefert haben...
 
  • Gefällt mir
Reaktionen: TheCrazyIvan und Baal Netbeck
ZeroStrat schrieb:
Meinst du, das würde RDNA 2 so viel nützen? Gab's nicht mal so eine Grafik, die ein Scaling gezeigt hatte, dass ein noch größerer Cache kaum die Hitrate erhöhen würde?!
Ich hab von GPUs keine Ahnung, aber grundsätzlich ist die Cache miss Rate ja keine Elementarkonstante.

Tzk schrieb:
Intel muss wohl wenig Substanzielles geliefert haben...
Die Intel Keynote ist schon ganz sehenswert, speziell dann, wenn Du dich für einstudiertes Gestikulieren der Hände während Vorträgen weiterbilden willst. Abgesehen davon gehts lange darüber wie Intel die CoVID Krise meistert und CoVID bekämpft, wie Intel zur Foundry werden will, das Tigerlake 6 parallele AV1 Videos in 4k streamen kann während Cezanne da völlig abkackt und wenn du Dich für das eigentlich spannende, AlderLake, interessierst, gibts ab Minute 36:06 alle Details. -->Klick me
 
Zuletzt bearbeitet:
  • Gefällt mir
Reaktionen: DonL_, Tzk und Baal Netbeck
SsX1337 schrieb:
AMD mausert sich zum absoluten Top-Unternehmen, wischt mit Intel und halb mit Nvidia den Boden... wenn die halt noch so billig wären wie vor ein paar Jahren. So oder so hervorragende Neuigkeiten.
ich bin verwirrt, eo wischt man etwa mit Nvidia den Boden? Letztere haben die Performanceführerschaft, mehr Features, Marktanteile ausgebaut und grad ein neues Rekordquartal verkündet.
 
Wen das interessiert wie sowas aussieht:

SRAM ist nicht sonderlich platzsparend herzustellen. Ich hatte es hier und da schonmal näher ausgeführt.

Kurzfassung:

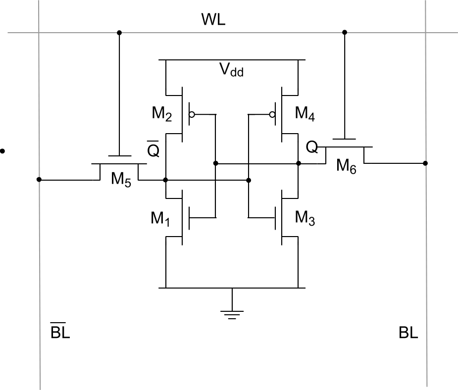
Eine Zelle kann auf verschiedenen Ansätzen basieren. Benutzt wird in Computern meist der 6T Ansatz. Also eine Schaltung aus 6 p-Kanal MOSFETs

6t-SRAM-cell.png

Zur Erklärung: WL = Wordline, BL = Bitline, M = Transistoren

Theoretisch lässt sich diese Schaltung vereinfachen bzw durch weitere Funktionen ergänzen, was im falle dieser Anwendung aber nicht förderlich ist, weshalb sich dieses Design durchgesetzt hat.

Für allgemeine Fixed function Schaltungen gehen auch einfachere oder kompliziertere Zellen
 
  • Gefällt mir
Reaktionen: Herdware, jemandanders, konkretor und 3 andere
Salutos schrieb:
Greife mal einem nackten Mann in die Tasche 🤪
Das ist einfach: Rechts und links an der Lende jeweils einen Schitt von ca. 5 cm setzen (Vorsichtig, denn darunter laufen die Hauptschlagadern!) und dann die Hauft vom Fleisch lösen ... Voilá -> Zwei Taschen.
 
  • Gefällt mir
Reaktionen: Coeckchen
Tzk schrieb:
@Ned Flanders
Genau diese Gedanken hatte ich auch. Wie zum Henker hat AMD es geschafft das komplett unterm Radar zu entwickeln, ohne das ein Leaker darüber stolpert? Intel redet ja schon länger über Silicon-on-Silicon, aber außer dieses Design mit 40 Chips mal in die Kamera zu halten kam da nicht viel. Und AMD haut einfach mal einen raus... :daumen:

Sehr interessant fand ich auch die beiden Einschätzungen von GamersNexus zur AMD und Intel Keynote. Intel muss wohl wenig Substanzielles geliefert haben...
Das ist doch die Realität seit 2017/2019, AMD präsentiert fertige funktionfähige Produkte, die zu fast immer 100% der Voraussagen von AMD erfüllen und Intel präsentiert Power Point Folien mit großartigen Ankündigungen und hat real eher sehr wenig zu bieten.
Auch das wird Intel und seine Fans wieder auf dem falschen Fuss erwischen und AMD kann noch weiter auf der für sie preiswerteren 7nm Technik verweilen und wird wohl Alder Lake locker kontern, bis dann ZEN 4 in 5nm kommt. Aber mit Alder Lake, wurde ja hier schon von bestimmten Influencer die große Intel Wende angekündigt, scheint das die auch wieder an AMDs schneller Entwicklung scheitern wird und ins Wasser fällt.
Wie halt die letzten JAhre immer, Intel redet über das Stapeln und macht hübsche Power Point Folien und AMD liefert.
 
  • Gefällt mir
Reaktionen: Tzk
Baal Netbeck schrieb:
Und schon hat AMD zwei wichtige Punkte erläutert, die ich für kritisch gehalten hatte. :daumen:

Der Die wird dünner gemacht, um die Kühlung weiterhin zu ermöglichen.

Und die Erweiterung in die 3. Dimension verändert die Latenzen des L3 kaum.

Das nenne ich gute Kommunikation. :)
1. Sie werden primär geschliffen, damit das Package passt. Ungeschliffen wären neue Kühler nötig, weil die Höhe nicht mehr passen würde. Das Chaos bei gleichem Sockel mit unterschiedlichen Kühlern...
2. Warum sollte sich die Latenz auch ändern? Ausschlaggebend ist ja nicht die Dimension. 3D Stacks können durchaus latenzärmer sein als große 2D Chips, weil die Wege ggf. kürzer ausfallen.
 
  • Gefällt mir
Reaktionen: ETI1120
JohnVescoya schrieb:
Was ich richtig spannend finde: Das SRAM Stacking bei Zen3+ sollte doch problemlos auf RDNA umgesetzt werden können.

AMD hat den Infinity Cache mit 128mb garantiert als Vorbereitung für stacked SRAM eingeführt. Die Hitrate bei 4k bei den 128mb on-Die beträgt ja 62%, wenn durch Stacking der I$ auf 512mb erhöht werden kann, dann liegen wir bei ca 90-95% Hitrate unter 4k. Heißt, die richtige Revolution durch Stacked SRAM kommt in der nächsten GPU Gen von AMD :)
Ich wollte gerade sagen, dass der Cache bei RDNA 2 keine gute Form hat, um etwas daraufzustapeln, dann las ich:
Summerbreeze schrieb:
Hast die Patente letztens nicht gelesen?
Das wird als zusätzliche Verbindung der GPU-Chiplets und Cache benutzt.
Das ist natürlich die Lösung für die Zukunft. Wenn der L3-Cache ausgelagert wird und teil des Interconnects ist, kann da Cache drauf gepackt werden, wie man will.

Bleibt als letzter Punkt noch @Ned Flanders Frage, ob mehr Cache etwas bringt. Ich würde sagen beim jetzigen Design nicht, der Cache ist ja exakt für die jeweilige Auflösung ausgelegt. Aber bei APUs und zukünftigem RDNA 3 könnte da schon was gehen.
 
  • Gefällt mir
Reaktionen: ETI1120, Tzk und jemandanders
Ned Flanders schrieb:
Schon erstaunlich wie wenig da durchgesickert ist.
Definitiv. Das kennt man ja auch anders...

Müsste man mal schauen wie groß die Cache Fläche bei GPUs ist und überlegen wie viele solche Teile da eventuell drauf passen um als fetter "Game Cache" zu dienen.

Vorsicht: Cache ist sehr speziell und kann sehr schnell seine Wirkung verlieren und damit relativ zur Leistung stark an Wert verlieren. Wenn Bandbreite/Latenz zum RAM (bzw. der Daten darin) kein Problem mehr sind, ist zusätzlicher Cache nutzlos. Es kommt also stark auf:
a) den sog. workload
b) das Gesamtkonstrukt an.

Man sieht ja bei RDNA wie wenig Infiniticache welche Auswirkungen hat. Mit steigender Größe nimmt der Effekt stark ab. Die 8kern Epyc mit 256 MB sind z.B. auch Nischenprodukte, die in ganz wenigen Szenarien den Preis wert sind.
 
Zurück
Oben