• ComputerBase erhält eine Provision für Käufe über eBay-Links.

Samsung 970 Pro NVMe 90°

soundman

Cadet 1st Year
Registriert
Aug. 2020
Beiträge
11
Hallo,

ich habe zwei Samsung Evo 970 Pro 256GB NVMe verbaut und diese werden extem heiß bei Belastung.
Laut HWinfo liegt die "Driver Temperature 2" bei 85-90° wenn ich z.B CoD MW (191GB) von der einen auf die andere Platte kopiere .
Wenn nur gespielt wird dann liegt die Temp bei etwa 80° .

Kann ein Throttling der SSD mein Spielerlebnis beeinflussen ?


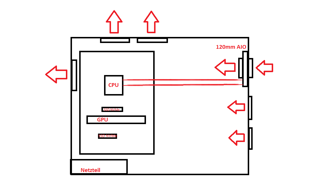
Evtl. ist mein Airflow nicht ganz durchdacht deshalb habe ich mal eine Skizze angehängt -

Gehäuse : Thermaltake S500 TG
Mainboard : MSI Z390 Gaming Plus
Alles 120mm Bequiet Pure Wings 2
Am Radiator zwei Arctic P12

Danke
Lg
 

Anhänge

  • skizze.png
    skizze.png
    28,3 KB · Aufrufe: 485
hab mir das für meine evo plus gekauft
https://www.amazon.de/gp/product/B077MRDK16?th=1
hat merklich was gebracht und war einfach zu montieren

und mein airflow siehh so aus:
1 = Silent wings 3 high speed der auch auf die ssd bläst und den ram
2 = pure wings 2, der nur ab cpu temp 70°C aktiviert wird.
3+4 = ebenfalls pure wings 2

dsBuffer.bmp.png
 
  • Gefällt mir
Reaktionen: soundman
Also das ist schon recht warm.
Ich würde da auch einen Kühler montieren, der Slot liegt ja glücklicherweise nicht hinter der Grafikkarte.
Auf das Netzteil selbst kannst du dann zum Testen auch noch einen Lüfter stellen bzw kleben. Dann bspw. mit doppelseitigem Klebeband, weil man das restlos entfernen kann.

Wenn ich das richtig sehe, kann man die Grafikkarte auch 90° gekippt verbauen, sodass man von vorne auf die Lüfter schaut. Das hast du aber nicht gemacht oder? Zumindest sieht es auf deiner Zeichnung nicht so aus.
 
  • Gefällt mir
Reaktionen: soundman
  • Gefällt mir
Reaktionen: soundman
@BigBoys90
Falschen link reingepackt? Oder meintest du den selben den Thorque meinte?
 
  • Gefällt mir
Reaktionen: soundman
Meine GPU ist nicht Vertikal verbaut jedoch würde ich das in Zukunft gerne noch ändern .

Kann ich die 8€ Kühlerplatten für SSDs von eBay/Amazon kaufen oder taugen die nichts ?
Ist meine Anordnung der Lüfter für das Gehäuse so wie oben gezeigt ok oder sollte ich da doch lieber etwas ändern ?

Danke euch allen :)
 
Bringen tun die schon was. Aber wunder würde ich keine erwarten weil das ebenfalls vom Airflow und wie die Luft die erwischt abhängt. Ich muss aber sagen das mein Aufbau auch so ist wie bei dir. Und meine hat noch nie 90C gesehen. Hab aber A keine zwei und B noch nie 191gb verschoben.

Zu den Kühlern. Hab grad geguckt, hab da auch einen drauf.
 
  • Gefällt mir
Reaktionen: soundman
  • Gefällt mir
Reaktionen: soundman
Dafür, dass dieses Gehäuse nen Haufen Geld kostet, gefällt mir der Airflow überhaupt nicht, diese Lüftungsschlitze machen sehr schnell zu, wo Dieses Staubgitter, oder so ein Mesh ist,
du hast ja 2 Stück M.2, wenn du den Laufwerkskäfig nicht brauchst, bau ihn aus, hast auch mehr Zirkulkation,
ich hab auch ein Glas front, hab nen Wassergekühlten CPU Kühler, da ist dann eigentlich noch weniger Luftzirkulation.
Ich hab ein 140 Lüfter, mit Angelschnur ,( fast nicht zu sehn ) oben befestigt, der hängt genau da, wo die Plätze für die M.2 sind.
bei dir müßtest du ihn so " drehen, dass er mittig von der Graka, und so seitlich direkt auf deine M.2 Plätze bläst, hilft ungemein, weil sich eben nix stauen kann,
aber wenn hald Schönheit vorgeht, weiß nicht so recht,
Versuch macht klug, und kostet nicht die welt
und dann helfen diese alu Kühler natürlich noch mehr, aber die werden eben auch mit der Zeit heiß, wenn keine Luft abgeführt wird
Ist schon dieses Gehäuse ?
weil du 2 Lüfter nach oben eingezeichnet hast
 
Zuletzt bearbeitet:
  • Gefällt mir
Reaktionen: soundman
Solang du kein Throttling in der Leistung bemerkst, halte ich einen Kühler für unnötig.

Ansonsten ist das Problem eher, dass man nicht weiß, wofür der zweite Sensor überhaupt zuständig ist. Denn der zweite Sensor scheint bei allen Nutzern wesentlich höhere Temperaturen zu haben. Dabei ist nicht mal klar, wo diese Temperatur anliegt, was diese aussagt und was für eine Relevanz diese für uns hat. Bin ich ehrlich gesagt verwundert, dass hier direkt Kühler empfohlen werden. Schaden tun sie zwar nicht, y tho

Wenn wer was Verlässliches bzgl Samsung und Driver Temperature 2 hat, kann dies jedoch gerne posten.
 
  • Gefällt mir
Reaktionen: soundman
kannst ja mal berichten wie es
a) nur mit den Kühlern sich verändert hat
und
b) dann noch mit dem Versetzen des Lüfters.

Mir sagt die ICY BOX M.2 mehr zu irgendwie, auch weil sie mit Gummibändern zusätzlich gehalten wird.
 
Wenn auch meine SSD,s wenig zu tun haben, aber diese temperaturen sind schon arg hoch,
könnt mir vorstellen, dass die 2 . Temperatur die " Kern" Temperatur ist, und das andere die Umgebungstemperatur, denn das würde zu meiner gehäusetemperatur passen,
aber , solche temps wie vom TE kenn ich nicht, und da brauchts auch keine riesigen Lüfter-Drehzahlen, mal ein Foto von HWinfo,
1598162446695.png
 
Ich hab mir nun zwei Icy Box Kühler eingebaut 10mm höhe .

Die Temps pendeln sich bei etwa 65° bis aller höchstens 70° ein .
Ein Problem bleibt aber und zwar das die SSD sich drosselt auf 400mb/s .

Ich hab mal ein Video hochgeladen damit ihr wisst was ich meine :






























HWInfo zeigt auch noch noch Drive Remaining Life = 99%
Vor wenigen Tagen haben beide Platten noch 100% gehabt .

Woher nimmt sich HWinfo diesen Wert ?
Lg
 
Zuletzt bearbeitet:
Video ist gut, Lob

also hat der Kühler schon mal einiges an Temperatur verringert.
soweit gut.

hast du die aktuellen nvme treiber von samsung installiert?
NVMe Driver Version 3.3
https://www.samsung.com/de/support/model/MZ-V7E500BW/

download direkt:
https://org.downloadcenter.samsung....Samsung_NVM_Express_Driver_3.3.exe&OriginYN=N


hast du mal ssd benchmark laufen lassen?
https://www.computerbase.de/downloads/benchmarks/crystaldiskmark/



und hast mal samung magician laufen lassen?
hat ne analyse und eigenen benchmark
https://www.samsung.com/de/ssd/magiciansoftware/

oder
https://www.computerbase.de/downloads/systemtools/festplatten/samsung-magician/

download:
https://www.samsung.com/semiconductor/minisite/ssd/download/tools/
Ergänzung ()

hab oben einiges dazu editiert
 
Zuletzt bearbeitet:
  • Gefällt mir
Reaktionen: soundman
Thorque schrieb:
Video ist gut, Lob

also hat der Kühler schon mal einiges an Temperatur verringert.
soweit gut.

hast du die aktuellen nvme treiber von samsung installiert?





und hast mal samung magician laufen lassen?
hat ne analyse und eigenen benchmark

Ergänzung ()

hab oben einiges dazu editiert

Ich hab mal CrystalDiskMark vor und nach der Installation vom NVMe Treiber laufen lassen da diese noch nicht installiert waren .
Die Werte bleiben in etwa gleich und aber die SSD drosselt sich wieder trotz Treiber .


Samsung Magician werde ich nachher mal testen
 

Anhänge

  • 0.png
    0.png
    104,2 KB · Aufrufe: 333
okay..gut dass du vor und nach dem treiber gemessen hast..
also am treiber liegt es nicht.

hast du anti viren software am laufen?

ja teste mal magician und dessen benchmark und analyse.
 
Thorque schrieb:
okay..gut dass du vor und nach dem treiber gemessen hast..
also am treiber liegt es nicht.

hast du anti viren software am laufen?

ja teste mal magician und dessen benchmark und analyse.

Nein einen AV o.ä habe ich nicht installiert .
Habe soeben den "kurzen Scan" und den "S.M.A.R.T Self test" über Samsung Magician probiert aber auch da alles ok
 
Zurück
Oben